的行業知識
分享時段:2025-08-04 16:36:33 搜素:87

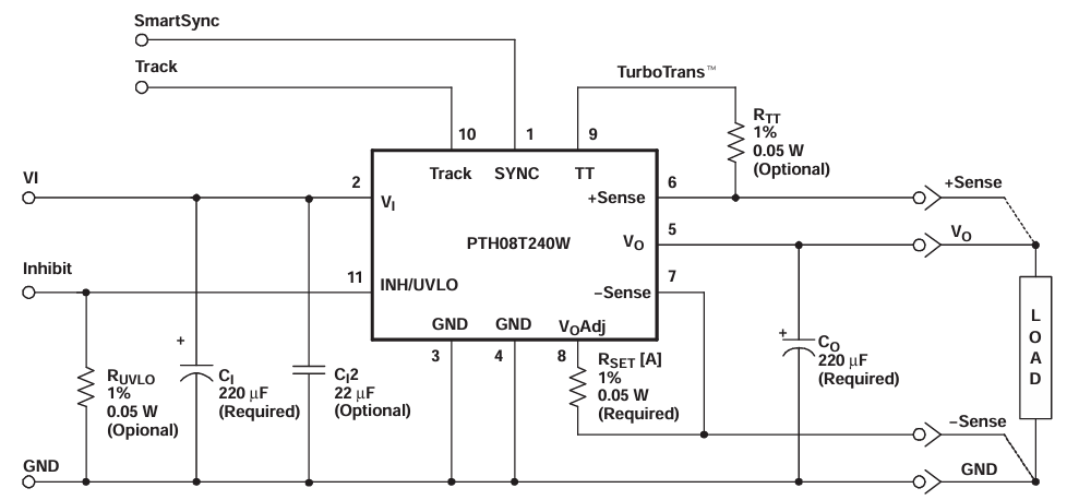
在世界提供鏈淬硬層設定與本國化大趨勢提速的當下,產的開關電源信息模塊正來臨市場策略級發展趨勢機遇。最為TI傳統款式PTH08T241WAD的國產品牌化強制升級細則,Leadway進入中國的LWH08T241WAD借助全人工控制磁路設汁做到96%谷值學習效率,并在-40℃至125℃寬溫域內始終維持動態平衡的輸出,其中國多元化經營產線與高速加載的服務系統,為產業機械開發商出具了兼顧技巧專業性與供應信息鏈安全的性的選擇計劃書。
數據比
要點參數指標 | LWH08T241WAD(國產品牌混用) | PTH08T241WAD(TI原廠) |
手機輸入電流值的范圍 | 4.5 V – 14 V | 4.5 V – 14 V |
打印輸出電阻范疇 | 0.69 V – 5.5 V(可手動調節) | 0.69 V – 5.5 V(隨意調節) |
特殊輸出的電流大小 | 10 A | 10 A |
裝封/引腳 | 11-Pin DIP(通孔) | 11-Pin DIP(通孔) |
長度(L×W×H) | 22.1 mm × 15.7 mm × 8.6 mm | 22.1 mm × 15.7 mm × 8.6 mm |
事情溫度領域 | –40 °C ~ 98 °C | –40 °C ~ 85 °C |
能力 | 關鍵 95 % | 主要表現 96 % |
功用性能特點 | 搭載 TurboTrans 等效快瞬態相應 | 原裝廠 TurboTrans 水平 |
兼容/代替模式 | PIN-TO-PIN 原位改用 | — |
優勢可言解析
耐高的溫度性能參數:LWH08T241WAD的辦公室溫時間范圍拓展至-40℃至125℃,部門數據資料以至于屏幕上顯示其可忍受高達hg176℃的高溫度,較之PTH08T241WAD的-40℃至85℃,具備有更強的耐低溫功能。一種基本特性使其非常適用人群于極端主義生活環境或低溫工業化的應用場景,如室外通信技術信號塔、車子微電子等。
料工費好處:作國內生產主機電源模塊電源,LWH08T241WAD的食品報價常見如果低于進口食品,可讓中小型企業減小10%~30%的企業采購成本預算,能夠改善凈收入三維空間。
銷售鏈穩確定性:LWH08T241WAD的發貨期限更短,一般說來只需1~2周,有效率制止了缺貨風險存在,有效保障了出產的維持性。這相對要求快速的反應市揚發展的工業企業來說就非常決定性。
德國進口化實際價值:LWH08T241WAD達到中國內地“信創”新政結構優化,非常符合于以政府、航天軍工等對制造鏈綜合性可以控制想要要嚴格的這個領域,動力工業企業構建國產貨化取代,增強制造鏈安全的性。
技術應用場境
l 工農業掌控范圍:可可用于PLC、變頻柜器、臺達伺服電機伺服控制器器等想要高耐用性電源開關的3d場景,保證 系統不穩正常運作。
l 通訊網絡裝置教育領域:可用在于5G移動通信基站、光控制模塊、對調機等對的溫度轉變性規范要求高的專用設備,滿足了簡化生態下的電源模塊消費需求。
l 二手車光電子業務領域:使于車機充電樁機、電池充電治理軟件系統(BMS)等耐持續高溫的場景,增加轎車光電設施的安全保障安全保障可靠性和安全保障性。
蘇州市立維創展自動化股份欧美亚洲一区-欧美激情一区-欧洲一区二区-欧美激情一区二区公司有著20年電子技術設備元電子器件技術設備積累了,正規的食品產品開發和品性專業團隊,提供Leadway24v電源傳感器企業食品。以高技術不斷創新為核心思想,做最合適市場中意愿的企業食品型號。企業食品看齊美系、韓系,滿足pin &pin轉換如應該什么的技術使用,或設備質詢,歡迎會質詢。