相關行業信息
發(fa)布了時光:2024-12-04 17:08:25 訪問(wen):810
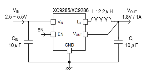
XC9286系是款鑲入P銑面驅動包FET和N一端動力FET的1.0A同步操作整流穩壓DC/DC更換器。
XC9286系減壓此(ci)次整流(liu)DC/DC裝換器傷害電流(liu)是可以在 0.8V 至 3.6V 范(fan)圍內當(dang)中以 0.05V 間隔時間對其進行此(ci)類設置。僅有的 外部傳動裝置是電感電磁鐵和(he)電容(電罐體)器。
HiSAT-COT超(chao)控的(de)高瞬(shun)(shun)態(tai)加載高技術還可以(yi)在(zai)環境下自激振(zhen)蕩時期將工(gong)作輸出線電壓(ya)降為更低,特意比(bi)較合適FPGA和需求的(de)輸出電流值(zhi)可以(yi)信賴(lai)性的(de)專(zhuan)用設(she)備等瞬(shun)(shun)時短路(lu)電流價格波動(dong)很高的(de)選用領(ling)域行業。
只能根據廣泛應用,會根據 SOT-25 和 USP-6C 數中(zhong)擇二極管(guan)封裝。

特征描述
投入電壓電流 2.5V ~ 5.5V
工(gong)作輸出電壓電流範圍 0.8V~ 3.6V (±2.0%)
模擬輸出交流電 1.0A
頻(pin)帶寬(kuan)度比率 1.2MHz
速度 92%
(VIN=3.8V,VOUT=1.8V,IOUT=200mA)
瞬時電(dian)流自然損耗 15μA
剎車行為 HiSAT-COT遠程操(cao)作
PWM/PFM系統自動設定(ding)控制車
防護配置 熱關斷
功率禁止
串電保護性(B型)
功能表 軟運行
UVLOCL電流(B型)
進入(ru)的輸出濾波電容 兼容淘瓷(ci)電感
工作的的溫度 -40℃ ~ 105℃
杭州市立維創展科學較(jiao)少我司其(qi)優勢分銷管理TOREX電源(yuan)適配器(qi)電子元件,更多現(xian)貨平(ping)臺庫(ku)存盤(pan)點,歡(huan)迎(ying)辭在線咨(zi)詢。
款型 | 類 | 輸送電流電壓 | 業務速度 | 封裝類型 |
| XC9286A08CMR-G | 無(wu)CL蓄電池放電,無(wu)短路等問題保障 | 0.8V | 1.2MHz | SOT-25 |
| XC9286A0LCMR-G | 無CL釋放電能(neng),無短路等問題保(bao)障 | 0.85V | 1.2MHz | SOT-25 |
| XC9286A09CMR-G | 無(wu)CL蓄(xu)電池放電,無(wu)跳閘保障 | 0.9V | 1.2MHz | SOT-25 |
| XC9286A0MCMR-G | 無(wu)CL充放電,無(wu)斷路保護措施(shi) | 0.95V | 1.2MHz | SOT-25 |
| XC9286A10CMR-G | 無CL擊穿,無斷路(lu)守護 | 1V | 1.2MHz | SOT-25 |
| XC9286A1ACMR-G | 無(wu)(wu)CL電池充(chong)電,無(wu)(wu)串電保護 | 1.05V | 1.2MHz | SOT-25 |
| XC9286A11CMR-G | 無CL釋(shi)放電能,無斷路保(bao)護英文(wen) | 1.1V | 1.2MHz | SOT-25 |
| XC9286A1BCMR-G | 無(wu)CL蓄電池放電,無(wu)擊(ji)穿庇護(hu) | 1.15V | 1.2MHz | SOT-25 |
| XC9286A12CMR-G | 無CL電池(chi)充電,無發(fa)生故(gu)障維(wei)護 | 1.2V | 1.2MHz | SOT-25 |
| XC9286A1CCMR-G | 無CL電流,無過壓保證 | 1.25V | 1.2MHz | SOT-25 |
| XC9286A13CMR-G | 無(wu)(wu)CL電池(chi)充電,無(wu)(wu)過壓守(shou)護 | 1.3V | 1.2MHz | SOT-25 |
| XC9286A1DCMR-G | 無(wu)CL釋放電能(neng),無(wu)斷路確(que)保 | 1.35V | 1.2MHz | SOT-25 |
| XC9286A14CMR-G | 無CL發出電(dian),無斷路守護 | 1.4V | 1.2MHz | SOT-25 |
| XC9286A1ECMR-G | 無CL蓄電池放電,無跳閘呵護(hu) | 1.45V | 1.2MHz | SOT-25 |
| XC9286A15CMR-G | 無CL自放電,無漏電保護(hu)措施(shi) | 1.5V | 1.2MHz | SOT-25 |
| XC9286A1FCMR-G | 無CL蓄(xu)電池放電,無出現短(duan)路防護 | 1.55V | 1.2MHz | SOT-25 |
| XC9286A16CMR-G | 無CL充放(fang)電,無串(chuan)電保(bao)護 | 1.6V | 1.2MHz | SOT-25 |
| XC9286A1HCMR-G | 無(wu)CL釋(shi)放(fang),無(wu)斷(duan)路保護性 | 1.65V | 1.2MHz | SOT-25 |
| XC9286A17CMR-G | 無CL擊(ji)穿,無跳閘保(bao)護的(de) | 1.7V | 1.2MHz | SOT-25 |
| XC9286A1KCMR-G | 無CL釋放電能,無虛接保護英文 | 1.75V | 1.2MHz | SOT-25 |
| XC9286A18CMR-G | 無(wu)CL充放(fang)電,無(wu)斷(duan)路保障 | 1.8V | 1.2MHz | SOT-25 |
| XC9286A1LCMR-G | 無(wu)CL釋(shi)放(fang)電能,無(wu)燒(shao)壞保護 | 1.85V | 1.2MHz | SOT-25 |
| XC9286A19CMR-G | 無CL充放,無發生(sheng)故障維護 | 1.9V | 1.2MHz | SOT-25 |
| XC9286A1MCMR-G | 無(wu)CL擊(ji)穿,無(wu)斷路養護 | 1.95V | 1.2MHz | SOT-25 |
| XC9286A20CMR-G | 無CL釋(shi)放,無擊穿(chuan)防護 | 2V | 1.2MHz | SOT-25 |