制造業信息
推送事件(jian):2023-05-06 17:04:19 瀏覽訪問(wen):1440
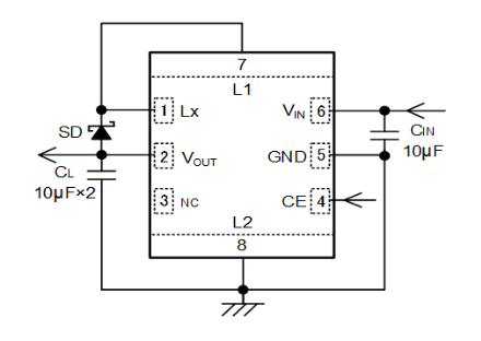
TOREX電源模塊XCL301系列是種內嵌P端面驅動晶體管的負電壓輸出micro DC/DC轉(zhuan)換器。通過調節IC與(yu)(yu)線(xian)圈一體化,能夠(gou)(gou)實現微型化,僅需在外部增加肖特(te)基二極管(guan)與(yu)(yu)電(dian)容器,就能夠(gou)(gou)搭(da)建(jian)不占用空(kong)間的電(dian)源。XCL301系列轉(zhuan)換器額定電(dian)壓為2.7V~5.5V。輸出電(dian)壓已設(she)置(zhi)成-3.3V(精密度±2.0%)。
XCL301系(xi)列表變換器進(jin)行經濟(ji)模式為PFM/穩定可靠重啟(qi)時間段(duan)PWM一鍵進(jin)行調節(jie)把控,能(neng)夠(gou) 在(zai)小短(duan)路電流(liu)(輕(qing)載(zai)(zai))時將工程(cheng)從(cong)比(bi)較(jiao)穩定關(guan)閉日(ri)子PWM操(cao)縱轉交至(zhi)PFM調節(jie),在(zai)小過載(zai)(zai)(輕(qing)載(zai)(zai))至(zhi)大過載(zai)(zai)(輕(qing)載(zai)(zai))的總布局過載(zai)(zai)范疇(chou)將構建識貧,最使用強調小過載(zai)(zai)(輕(qing)載(zai)(zai))下的有工作(zuo)效率率的系(xi)統(tong)(tong)和(he)在(zai)電瓶消(xiao)耗的系(xi)統(tong)(tong)。
XCL301類型改換(huan)器按照(zhao)在待機時撤銷產(chan)品 外接電源集成運放,將空態損耗(hao)費電流量被限在0.1μA(TYP.)這。因內嵌式(電源適配器)進入欠壓鎖閉(Under Voltage Lock Out)功(gong)能,當設(she)置電壓降短(duan)于(yu)欠壓鎖閉電往常(chang),會立即撤出實物P銑面帶動晶(jing)胞管。除此本(ben)身,UVLO檢定(ding)交(jiao)流電壓為2.2V(TYP.)。
XCL301國(guo)產裝換器因內置CL充放電特性,借助在(zai)待機時,進入VOUT-VIN間的(de)內外控制開關,將通過內阻(zu)值發出CL的(de)正電荷。進行這(zhe)樣自放電性能方面(mian),可(ke)以將輸入的(de)電壓十分迅速恢復正常到GND電平。

特色
鍵入電流:2.7V~5.5V
工(gong)作輸出工(gong)作電壓:-3.3V
讀取直流電壓準確度:±2.0%
最主(zhu)要打出直流(liu)電(dian):-50mA@VOUT=-3.3V, VIN=3.3V (TYP)
內設(she)驅使(shi)器:1.3Ω (Pch驅動包(bao)器)
消耗掉(diao)電(dian)流量(liang):40μA (TYP.)
調整(zheng)原則:PFM / 固定好(hao)待(dai)機的時間PWM 自動化修改(gai)操縱
最快負(fu)債瞬態(tai)沒有響應:-50mV(VIN=3.3V,VOUT=-3.3V,IOUT=1mA→50mA)
PFM轉換開關功率:550mA
職能(neng):
過流守護功能(neng)性
軟開(kai)始直流電壓局限效(xiao)果(guo)
CL一鍵充放特(te)點(dian)
UVLO
陶瓷圖片電阻(zu)
操作(zuo)氣(qi)溫區間(jian):-40℃~+85℃
不適應環保標準耍求:與EU RoHS年(nian)紀分別、無鉛
TOREX半導(dao)體器(qi)件首要展示COMS、感知器(qi)、穩壓管等(deng)元配件,產品的以小表(biao)面積、耐(nai)熱(re)性非凡而最有名氣的。
武漢市立維創展科(ke)持十分有限廠家,優(you)越(yue)性(xing)電(dian)(dian)商分銷(xiao)TOREX電(dian)(dian)原電(dian)(dian)子元器件,大(da)批量現貨黃(huang)金交易量,認可加盟。
具體詳情詳細了解TOREX請鼠標單擊://www.gyzhkj.com/brand/62.html