欧美亚洲一区-欧美激情一区-欧洲一区二区-欧美激情一区二区

HMC994APM5E/HMC994APM5ETR遍布式聯通寬帶工作電壓圖像功率放大器 ADI現貨黃金熱銷

推(tui)出日期(qi):2018-06-06 10:40:10     閱讀:2698

HMC994APM5E是(shi)一種款GaAs pHEMT MMIC布局式移動寬(kuan)帶耗(hao)油率(lv)(lv)拖(tuo)動器,工作中的(de)頻率(lv)(lv)條(tiao)件(jian)為(wei)DC至28 GHz。該(gai)拖(tuo)動器展示 13 dB收獲,+29 dBm是(shi)處(chu)于飽和(he)狀態打(da)印輸(shu)出(chu)耗(hao)油率(lv)(lv),23% PAE(+10V開(kai)關電源)。打(da)印輸(shu)出(chu)IP3多達+38 dBm,HMC994APM5E適需求(qiu)高(gao)規則化度的(de)日本軍事、太(tai)空站及(ji)及(ji)直連和(he)點對多些wifi手機電軟件(jian)應該(gai)用(yong)(yong)。HMC994APM5E在4至16 GHz條(tiao)件(jian)內(nei)具(ju)頗為(wei)寬(kuan)闊的(de)收獲,故(gu)而極為(wei)適EW、ECM、聲納和(he)測(ce)評機 軟件(jian)應該(gai)用(yong)(yong)。HMC994APM5E拖(tuo)動器I/O內(nei)部組織連接至50 Ω,用(yong)(yong)于無引腳QFN 5×5 mm表貼裝封。


品牌 型號 描述 貨期 庫存
ADI HMC994APM5E
HMC994APM5ETR
GaAs pHEMT MMIC功率放大器,DC - 28 GHz 現貨 58

HMC994APM5E應用

  • 測試儀器儀表
  • 微波無線電和VSAT
  • 電信基礎設施
  • 軍事和太空
  • 光纖產品

HMC994APM5E優勢和特點

  • P1dB輸出功率:+27 dBm
  • Psat輸出功率:+29 dBm
  • 高增益:13 dB
  • 輸出IP3:+38 dBm
  • 電源電壓:Vdd = +10V (250 mA)
  • 50 Ω匹配輸入/輸出
  • 32引腳5×5 mm SMT封裝:25 mm2


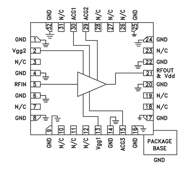
HMC994APM5E結構示意圖



引薦知識
  • 關于THUNDERLINE-Z產品申明
    關于THUNDERLINE-Z產品申明 2020-10-14 15:54:05 成都市立維創展社會十分有限集團公司,是新加坡THUNDERLINE-Z & Fusite的品牌在日本國的授權使用渠道管理商,其金屬質破璃密封墊接插件,已常見app于航空、美國軍事、通信網等高準確性范圍。
  • CMD283C3超低噪聲MMIC放大器現貨庫存
    CMD283C3超低噪聲MMIC放大器現貨庫存 2025-08-22 16:41:29 Custom MMIC(現屬 Qorvo)的 CMD283C3 非常低低頻噪音分貝 MMIC 調小器主要采用 3x3 mm 無引線工業陶瓷 QFN 封口,平率的范圍 2 - 6 GHz,有著高收獲、低低頻噪音分貝、低功能損耗等形態,主要適用于 S/C 光波多層面。