該行業新聞
披露(lu)時間(jian):2018-06-06 10:47:01 搜素:8264
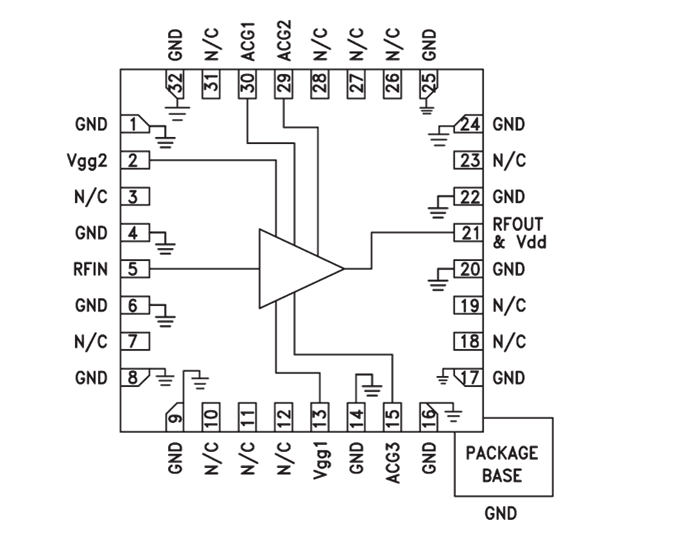
HMC797APM5E就是一款GaAs MMIC pHEMT布置(zhi)式電(dian)電(dian)功(gong)(gong)率(lv)(lv)放縮器(qi)(qi),本職工作頻(pin)率(lv)(lv)規模為DC至(zhi)(zhi)22 GHz。該(gai)放縮器(qi)(qi)能提(ti)供13.5 dB收獲(huo)、39 dBm讀取IP3和+28 dBm讀取電(dian)電(dian)功(gong)(gong)率(lv)(lv)(1 dB收獲(huo)縮減(jian)),能耗為400 mA(適(shi)用+10 V電(dian)原)。該(gai)多的功(gong)(gong)能PA在4至(zhi)(zhi)20 GHz規模內都具有正收獲(huo)斜率(lv)(lv),而使無(wu)比最(zui)合適(shi)EW、ECM、雷達探測和測試(shi)軟(ruan)件儀器(qi)(qi)操作。HMC797APM5E放縮器(qi)(qi)I/O內部人(ren)員相(xiang)相(xiang)配至(zhi)(zhi)50 Ω,便(bian)集成系統(tong)到多存(cun)儲芯片模塊圖片(MCM)中,適(shi)用無(wu)引腳QFN 5×5 mm表貼封裝類型,需外相(xiang)相(xiang)配元(yuan)器(qi)(qi)件封裝。
| 品牌 | 型號 | 描述 | 貨期 | 庫存 |
| ADI |
HMC797APM5E HMC797APM5ETR |
GaAs pHEMT MMIC 1 W功率放大器,DC - 22 GHz | 現貨 | 55 |
用
HMC797APM5E優勢和特點
HMC797APM5E結構圖
