這個行業分析新聞
發(fa)布公告時長:2022-09-08 16:36:44 查(cha)看:1360
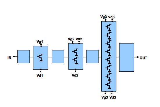
UMS的CHA7115-99F是款單支三級分銷GaAs高瓦數縮放器,也可以為X頻譜能力使用度身個人定制的。CHA7115-99F提高最經典的8W所在電機功率,在4dBcomp時確定36%的電功率附贈效果,另一方面在失配負載電阻上極具較高的可靠性。CHA7115-99F選擇0.25μm瓦數pHEMT新工藝工藝,包函穿入材料的特性和空氣中質量中的通孔與空氣中質量橋。以集成電路芯片模式英文帶來了。

注意表現形式
0.25um額定(ding)功率PHEMT水平應用領域
速度段(duan):8.5-11.5GHZ
工作(zuo)輸出耗油率:39dbm4dbcomp
高線型(xing)增益控制(zhi)值:>27db
高PAE:4dbcomp時(shi)37%
靜態(tai)式的偏置點:Vd=8V,Id=2.2A
電(dian)源芯片長寬:459×331×0.07mm
UMS紅外(wai)光算作歐洲(zhou)國(guo)家(jia)分米波IC芯片的(de)(de)(de)(de)代表(biao)人(ren)名(ming)牌,在芬(fen)蘭和西班牙設定(ding)有加(jia)工業營地。UMS在亞洲(zhou)條件(jian)內高性(xing)(xing)價(jia)比應用領域市場的(de)(de)(de)(de)占用難以方式(shi)的(de)(de)(de)(de)認知度。UMS提(ti)供(gong)(gong)了研(yan)究背景ASIC或目次(ci)的(de)(de)(de)(de)產(chan)品(pin)的(de)(de)(de)(de)綜合性(xing)(xing)價(jia)目,首要來源于(yu)欧(ou)美(mei)亚洲(zhou)一区(qu)-欧(ou)美(mei)激(ji)情一区(qu)-欧(ou)洲(zhou)一区(qu)二区(qu)-欧(ou)美(mei)激(ji)情一区(qu)二区(qu)內外(wai)的(de)(de)(de)(de)III-V工藝(yi),并提(ti)拱率先的(de)(de)(de)(de)配(pei)資合同提(ti)供(gong)(gong)服(fu)務(wu),使客服(fu)能(neng)能(neng)直(zhi)接的(de)(de)(de)(de)打造我們(men)的(de)(de)(de)(de)軟件(jian)解決(jue)方法方式(shi)。從電(dian)流電(dian)到100GHz的(de)(de)(de)(de)UMS文件(jian)名(ming)新產(chan)品(pin)均鑒(jian)于(yu)GaAs、Gan、SiGe高技(ji)(ji)術,其中(zhong)包括高達模(mo)型200W的(de)(de)(de)(de)輸出(chu)功(gong)率圖像(xiang)縮(suo)放(fang)電(dian)路、混(hun)衛星信號技(ji)(ji)能(neng)、極(ji)低燥音圖像(xiang)縮(suo)放(fang)電(dian)路和完正(zheng)的(de)(de)(de)(de)出(chu)入庫(ku)器(qi)操(cao)作系統(tong)。UMS設備以摸具形態提(ti)高,但(dan)通常情況以多IC芯片方案的(de)(de)(de)(de)形態打包封裝。
北京市(shi)立維創展(zhan)社會受限單位是UMS的POS機經銷商,專業性(xing)(xing)為有線通訊技(ji)術項目 、航空通信基(ji)站、民防、貨車、ism等互聯網行業提(ti)供數據(ju)高靠普(pu)性(xing)(xing)rf射頻微波射頻毫米左右波元件(jian)及融合用電線路(lu)。UMS軟件(jian)運用QFN和(he)模(mo)頭木箱,到交(jiao)期短(duan),多(duo)少錢(qian)的優勢特(te)別。企業為部分(fen)形號出具優質化量(liang)的UMS物品貨源。喜歡詳詢。
具體詳情分析UMS請打開網頁://www.gyzhkj.com/brand/36.html
AMPLIFIER – HPA
Reference | RF Bandwidth (GHz) | Gain | IP3 | P-1dB OUT | Sat. Output Power | PAE | Bias | Bias | Case | |
min | max | |||||||||
CHA7115-99F | 8.5 | 11.5 | 27.5 | - | - | 39 | 37 @ 4dB comp | 2200 | 8 | Die |