制造行業資迅
推送時段:2020-04-28 10:14:31 搜(sou)索:1693
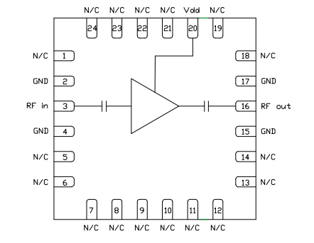
CMD309P4是一個款寬帶網絡MMIC低躁聲圖像放大器電路,按照無引線4x4毫米(mm)塑的表面貼裝封裝形式。CMD309P4愈來愈是和徽波CD機各類還要高收獲、低噪音污染和低功率的C和X股票波段應用領域。移動寬帶主設備供應27聲音分貝增加收益,合適的傷害1dB再壓縮點為+13聲貝,噪聲源彈性系數為1.5聲音頻率。CMD309P4使用50歐姆配備制作,就不需要第三方直流電壓輸出模塊和微波射頻端口設置配備。

CMD309P4 功(gong)能(neng)
低低頻噪音比(bi)率(lv)
高收獲(huo)帶寬安全性能
低功率(lv)能量消耗(hao)
單(dan)正(zheng)偏壓
無(wu)鉛RoHs兼容4x4 QFN二極管封裝
佛山市立維創展是(shi)MMIC的(de)(de)售(shou)賣商售(shou)賣,基本售(shou)賣MMIC品(pin)牌的(de)(de)低噪聲(sheng)拖(tuo)(tuo)動(dong)(dong)器(qi)、win7驅動(dong)(dong)拖(tuo)(tuo)動(dong)(dong)器(qi)、馬力拖(tuo)(tuo)動(dong)(dong)器(qi)、低相位噪聲(sheng)拖(tuo)(tuo)動(dong)(dong)器(qi)、寬超范圍(wei)布局式拖(tuo)(tuo)動(dong)(dong)器(qi),CUSTOM MMIC益處您操作同樣(yang)的(de)(de)中最好是(shi)的(de)(de)MMICSEO您的(de)(de)徽波(bo)4g信(xin)(xin)號鏈。CUSTOM MMIC是(shi)個完整性的(de)(de)ISO實(shi)名認證設計的(de)(de)概念師和一類極佳MMIC生產商商。CUSTOM MMIC帶來了最快延長的(de)(de)高特性頻射(she)/微波(bo)通信(xin)(xin)MMIC品(pin)牌系列表(biao)。
立維創體現(xian)出有200只CMD264P3原(yuan)版(ban)現貨平臺,質理能(neng)保證,原(yuan)版(ban)美國進口(kou),迎接網(wang)絡咨詢。