相關行業信息
上線期限(xian):2020-04-28 10:15:58 手機瀏(liu)覽(lan):1778
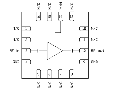
CMD264P3是一款寬帶MMIC低噪聲放大器,采用(yong)無引(yin)線3x3毫米塑料表面貼裝封裝。CMD264P3非(fei)常適合需要小尺(chi)寸(cun)和(he)低功(gong)耗的電子戰和(he)通信(xin)系統。寬帶設備提供(gong)大于26db的增益,相(xiang)應的輸出1db壓縮點為+12dbm,在10ghz時噪聲系數為1.6db。CMD264P3采用(yong)50歐姆匹配(pei)設計,無需外部(bu)直流模塊和(he)射頻端口(kou)匹配(pei)。

CMD264P3特證(zheng)
特低(di)低(di)頻噪(zao)音彈性系數
高增加收(shou)益寬帶網能
單(dan)開關電源線(xian)電壓:63毫安時+3.0伏
無鉛RoHs兼(jian)容3x3 QFN封裝(zhuang)
廣州市(shi)立維(wei)創展是(shi)MMIC的(de)(de)(de)代辦業(ye)務(wu)(wu)員,主耍業(ye)務(wu)(wu)員MMIC的(de)(de)(de)產品(pin)的(de)(de)(de)低的(de)(de)(de)躁(zao)音擴(kuo)大(da)(da)器、驅動包擴(kuo)大(da)(da)器、效(xiao)率(lv)擴(kuo)大(da)(da)器、低相位的(de)(de)(de)躁(zao)音擴(kuo)大(da)(da)器、寬范疇勻稱式(shi)擴(kuo)大(da)(da)器,CUSTOM MMIC助(zhu)力(li)您運(yun)用(yong)同行中更好的(de)(de)(de)MMIC改善(shan)您的(de)(de)(de)微波(bo)(bo)加(jia)熱電磁(ci)波(bo)(bo)鏈。CUSTOM MMIC是(shi)一個個完整性(xing)的(de)(de)(de)ISO驗證構思師和相同佳(jia)MMIC制造商。CUSTOM MMIC展示 很快倍增的(de)(de)(de)高耐腐蝕性(xing)rf射頻(pin)/徽波(bo)(bo)MMIC好產品(pin)系類。
立維創展(zhan)露有200只CMD264P3正品現貨交(jiao)易,產品品質確保,正品出(chu)口,的歡迎資詢。