欧美亚洲一区-欧美激情一区-欧洲一区二区-欧美激情一区二区

AM284233MM-EM-R S/C波段寬帶功率放大器
AM284233MM-EM-R S/C波段寬帶功率放大器
關鍵參數表

頻率:2.8-4.2GHz

增益控制:34

P1dB(DBM):33

PSAT(DBM)34

熱效率25

VD(V)8


品牌:AMCOM

的產品商品詳情頁詳細介紹

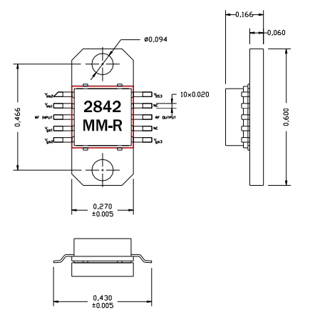
AM284233MM-BM/EM/FM-R是砷化鎵MMIC耗油率放小器品類的這環節。它在2.8到4.2GHz波長有34dB的增益控制和33dBm的輸出工作功率。該MMIC是一種個工業陶瓷裝封,rf射頻和直流變壓器引線都還在裝封的較低境界,盡可能于低總成本的SMT制造到PC板上。當直觀安裝程序到噴涂電源pcb線路板上時,請參閱應運講解AN700。主要是因為高電流能耗,我國熱烈建議大家將一些機械設備單獨使用在復合水冷片上。AM284233MM-FM-R是使用在燙金銅法蘭部拖架上的AM284233MM-BM-R。EM二極管封裝與FM封裝兼具同一的征占戶型,用到直絕緣線和銅/鎢活套法蘭片盤取代了銅活套法蘭片盤。活套法蘭片盤中有3個螺孔,更加方便擰到合金風扇風扇散熱上。這一MMIC是適用RoHS的。

特色

從2.8到4.2GHz的網絡帶寬

高輸出的工率,P1dB=33dBm

高收獲,34dB

截然配比;50歐姆填寫/所在阻抗匹配

操作

無限互連接wifi絡網應用

無線路由本市環路

雙邊無線數字電