行業內內容
頒布日子:2019-12-24 13:59:45 手機瀏覽:1837
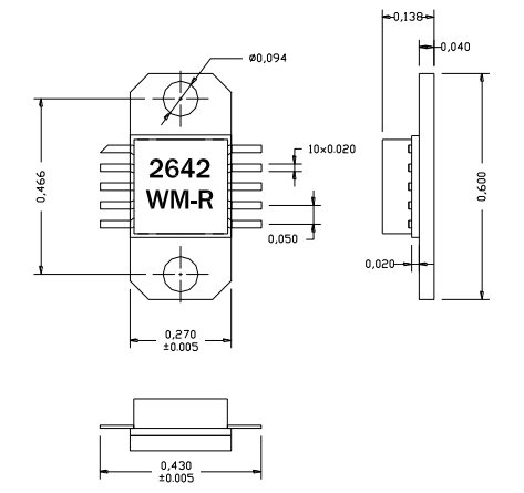
AM264240WM-EM-R是AMCOM的砷化(hua)鎵HiFET MMIC功率放大(da)器(qi)系列(lie)的一部分。這是兩個階段GaAs-HIFET-PHEMT-MMIC功率放大(da)器(qi)。AM264240WM-EM-R在輸(shu)入和輸(shu)出端都與50歐姆完全匹配,覆(fu)蓋2.6歐姆至4.2GHz。它有(you)20dB的(de)增益和40dBm的(de)14V輸(shu)出功率(lv)(lv)射頻和直(zhi)(zhi)流(liu)引(yin)線位于封(feng)(feng)(feng)裝(zhuang)的(de)較(jiao)低(di)層,以便(bian)(bian)于將(jiang)低(di)成本的(de)SMT組裝(zhuang)到(dao)PC板上。因為直(zhi)(zhi)流(liu)電功率(lv)(lv)大散(san)熱,我們強烈建議將(jiang)這些設備直(zhi)(zhi)接(jie)安裝(zhuang)在金屬(shu)散(san)熱片上。AM264240WMFM-R是安裝(zhuang)在鍍金銅(tong)(tong)法(fa)蘭托(tuo)架(jia)上的(de)AM264240WM-BM-R。EM包有(you)相同的(de)封(feng)(feng)(feng)裝(zhuang)外形為FM封(feng)(feng)(feng)裝(zhuang),采(cai)用直(zhi)(zhi)引(yin)線和銅(tong)(tong)/鎢(wu)法(fa)蘭代替銅(tong)(tong)法(fa)蘭是法(fa)蘭上的(de)兩個螺(luo)孔,便(bian)(bian)于擰到(dao)金屬(shu)散(san)熱器上。這個MMIC是符合RoHS的(de)。

AM264240WM-EM-R軟件
PCS淺淺蜂窩通信基站
GPS軟(ruan)件(jian)應用
WiMAX
WLL
10V–15V選用
AM264240WM-EM-R極為重(zhong)要規格(ge)
平率:2.6-4.2GHz
增益控(kong)制:20
P1dB(DBM):39
PSAT(DBM):40
熱效(xiao)率(lv):35
VD(V):14
北(bei)京市立維創展(zhan)科技發展(zhan)是AMCOM司代(dai)理商商,其(qi)具體紅外光(guang)光(guang)纖(xian)寬(kuan)帶設備(bei)屬(shu)于rf射頻單晶體管(guan)、MMIC電機功效增(zeng)加(jia)器、混增(zeng)加(jia)器板塊、帶寬(kuan)增(zeng)加(jia)器、高電機功效增(zeng)加(jia)器板塊、帶RF和(he)DC銜接器(qi)的高熱效(xiao)率增(zeng)加器(qi)引擎和(he)低的噪音增(zeng)加器(qi),熱效(xiao)率增(zeng)加器(qi),電源(yuan)開關,衰減器(qi),移相器(qi)或(huo)者上(shang)/底下調頻器的制作。