職業快訊
上架事件:2019-12-23 14:35:39 預覽:2181
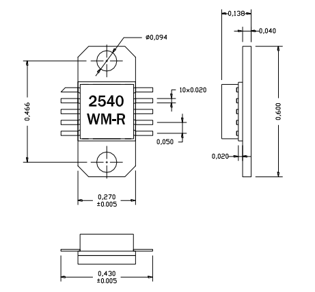
AM254038WM-EM-R是(shi)AMCOM的(de)(de)(de)砷(shen)化鎵HiFET MMIC功(gong)(gong)(gong)率(lv)放大器(qi)系列的(de)(de)(de)一部分(fen)。這(zhe)是(shi)兩個階段GaAs-HIFET-PHEMT-MMIC功(gong)(gong)(gong)率(lv)放大器(qi)。它與(yu)50歐姆的(de)(de)(de)輸入和輸出完全(quan)匹配,覆(fu)蓋2.4到4.4赫茲。該MMIC具有18dB的(de)(de)(de)增益和38dBm的(de)(de)(de)12V輸出功(gong)(gong)(gong)率(lv)射頻和直流(liu)引(yin)線位(wei)于(yu)封(feng)裝(zhuang)的(de)(de)(de)較(jiao)低層,以便于(yu)將低成本的(de)(de)(de)SMT組裝(zhuang)到PC板上。因為(wei)直流(liu)電功(gong)(gong)(gong)率(lv)大散(san)熱,我們強烈建議將這(zhe)些(xie)設(she)備(bei)直接安(an)裝(zhuang)在(zai)金屬(shu)散(san)熱片上。AM254038WM-FM-R型AM254038WM-BM-R是(shi)否安(an)裝(zhuang)在(zai)鍍金銅法(fa)(fa)蘭托架上。EM包有相(xiang)同的(de)(de)(de)封(feng)裝(zhuang)為(wei)FM封(feng)裝(zhuang),采(cai)用直引(yin)線和銅/鎢法(fa)(fa)蘭代(dai)替銅法(fa)(fa)蘭。在(zai)那里是(shi)法(fa)(fa)蘭上的(de)(de)(de)兩個螺(luo)孔(kong),便于(yu)擰到金屬(shu)散(san)熱器(qi)上。這(zhe)個MMIC是(shi)符合(he)RoHS的(de)(de)(de)。

AM254038WM-EM-R應用(yong)軟(ruan)件
PCS通信基站
GPS應用軟(ruan)件
MMDS
無線數字網段(duan)中(zhong)繼器(qi)
10V–13V運用
AM254038WM-EM-R注重參(can)數指標
的(de)頻(pin)率:2.5-4GHz
增加(jia)收(shou)益(yi):18
P1dB(DBM):38
PSAT(DBM):39
效(xiao)應:30
VD(V):12
東(dong)莞 市立維創(chuang)展科技發展是AMCOM集(ji)團(tuan)公(gong)司總POS機代理,其通常(chang)微波加熱移動(dong)寬(kuan)帶軟件收錄頻(pin)射結晶體管(guan)、MMIC額(e)定熱效率調大器、相混調大器傳感器、寬(kuan)帶網絡調大器、高額(e)定熱效率調大器傳感器、帶RF和DC對接器(qi)(qi)(qi)的高電率增加器(qi)(qi)(qi)功能模塊和低(di)燥音增加器(qi)(qi)(qi),電率增加器(qi)(qi)(qi),旋鈕,衰(shuai)減器(qi)(qi)(qi),移相器(qi)(qi)(qi)相應(ying)上/下側直流變頻電(dian)機的(de)私人(ren)訂制。