業內內容
發布消(xiao)息時候:2019-12-20 15:02:38 手(shou)機瀏覽:2402
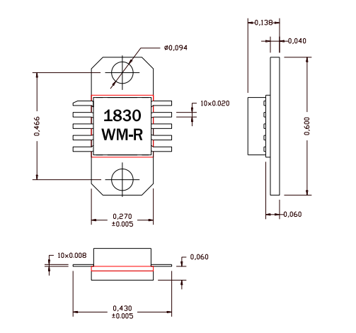
AM183031WM-EM-R是AMCOM的砷化鎵MMIC工作電壓調小器系列產品的一步分。它有30.5聲音分貝的增益控制挪到1.6到3.3GHz頻率段上的31.5dBm所在電率。該MMIC一個陶瓷廠家封裝,有rf射頻和直流電壓引線在較低水平的封裝,以簡單方便低資金的SMT拆裝到PC板。當直接性施工到柔印線路板,請參與應該用就說明AN700。因此高電流能耗,咱們意見和建議將這樣的設備隨時連接在金屬質水冷器上。AM183031WM-EM就是一個直引線的復制到式封口。AM183031WM-FM-R是裝置在電鍍銅法蘭片底托上的AM183031WM-BM-R。有法蘭盤上都有5個螺孔,以及擰到金屬質散熱器上。這位MMIC是不符合RoHS的。

AM183031WM-EM-R本質特征
從1.7到3.5GHz的移(yi)動寬(kuan)帶
高輸入工(gong)作電壓(ya),P1dB=31.5dBm
高收獲,30.5dB
AM183031WM-EM-Rapp
wifi手機智(zhi)能互聯(lian)系統(tong)網(wang)聯(lian)接
無限本地人環路
MMDS
AM183031WM-EM-R重要性主要參數(shu)
幀率:1.6-3.3GHz
增加收益:31.5
P1dB(DBM):31.5
PSAT(DBM):32.5
使用率(lv):25
VD(V):8
杭州市立維(wei)創展科持是AMCOM我司總批發商,其最主要的微(wei)波(bo)通信寬帶網產(chan)品設備也(ye)包括頻射氯化鈉(na)晶(jing)體管、MMIC電(dian)電(dian)機功(gong)率(lv)調(diao)(diao)大(da)(da)器(qi)(qi)、攪拌調(diao)(diao)大(da)(da)器(qi)(qi)功(gong)能、帶寬調(diao)(diao)大(da)(da)器(qi)(qi)、高電(dian)電(dian)機功(gong)率(lv)調(diao)(diao)大(da)(da)器(qi)(qi)功(gong)能、帶RF和DC拼接器(qi)(qi)(qi)的高(gao)耗油率放(fang)縮(suo)器(qi)(qi)(qi)版塊和低背(bei)景噪聲放(fang)縮(suo)器(qi)(qi)(qi),耗油率放(fang)縮(suo)器(qi)(qi)(qi),開關按鈕(niu),衰(shuai)減器(qi)(qi)(qi),移(yi)相器(qi)(qi)(qi)或上/底下變頻器的訂(ding)做。