餐飲行業手游資訊
更新(xin)時刻:2019-12-20 15:13:37 訪問(wen):1810
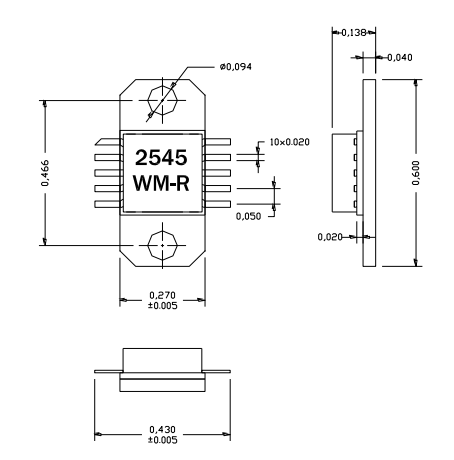
AM254540WM-EM-R是(shi)AMCOM的(de)(de)(de)砷化鎵HiFET MMIC功(gong)(gong)率(lv)放(fang)大器系列的(de)(de)(de)一(yi)(yi)部(bu)分。這么高效率(lv)MMIC是(shi)一(yi)(yi)個(ge)2級GaAs-pHEMT功(gong)(gong)率(lv)放(fang)大器,偏(pian)置(zhi)電壓(ya)為10~13V。輸(shu)入和(he)級間(jian)匹配(pei)網(wang)絡覆蓋(gai)2.5到(dao)4.5GHz。這個(ge)MMIC需(xu)要輸(shu)出外部(bu)匹配(pei)到(dao)您(nin)感興趣的(de)(de)(de)波段(duan)之間(jian)2.5GHz至4.5GHz提供(gong)最(zui)大帶(dai)寬靈(ling)活性。例如(ru),一(yi)(yi)個(ge)可用(yong)的(de)(de)(de)評(ping)估委(wei)員會在(zai)12V的(de)(de)(de)3.4到(dao)3.6GHz頻帶(dai)上(shang)(shang)具(ju)有(you)超過17dB的(de)(de)(de)增益、10瓦(wa)(40dBm)的(de)(de)(de)飽和(he)輸(shu)出功(gong)(gong)率(lv)。該(gai)MMIC是(shi)一(yi)(yi)個(ge)陶瓷封(feng)裝,在(zai)較低的(de)(de)(de)封(feng)裝層次上(shang)(shang)有(you)射頻和(he)直(zhi)流引(yin)線(xian)(xian),以便于低成本SMT組(zu)件到(dao)PC板(ban)。當直(zhi)接(jie)安裝到(dao)印刷電路板(ban)上(shang)(shang)時(shi),請參閱應(ying)用(yong)說明AN700。由于高直(zhi)流功(gong)(gong)耗,我們強烈建議將這些設備直(zhi)接(jie)安裝在(zai)金(jin)屬散(san)熱片上(shang)(shang)。AM254540WM-FM-R是(shi)安裝在(zai)鍍金(jin)銅法蘭托(tuo)架上(shang)(shang)的(de)(de)(de)AM254540WM-BM-R。新興市場(chang)封(feng)裝與FM封(feng)裝具(ju)有(you)相同(tong)的(de)(de)(de)占(zhan)地面積,采用(yong)直(zhi)引(yin)線(xian)(xian)和(he)銅/鎢法蘭代替銅法蘭。法蘭上(shang)(shang)有(you)兩(liang)個(ge)螺孔,便于擰(ning)到(dao)金(jin)屬散(san)熱器上(shang)(shang)。這個(ge)MMIC是(shi)符合RoHS。

AM254540WM-EM-R有特點
概率(lv)應用(yong)從2.5到4.5GHz
高內容(rong)輸出額定(ding)功率,P1dB=38dBm
高增(zeng)益值>17dB
從(cong)2.5到4.5GHz自動匹配的(de)鍵入
高效能>35%
AM254540WM-EM-R適用
WiMAX平(ping)臺(tai)
MMDS
手(shou)機無線(xian)廣(guang)域網中繼器
12V廣泛應(ying)用
AM254540WM-EM-R主(zhu)要技(ji)術參數
頻次:2.5-4.5GHz
增益值:17
P1dB(DBM):38
PSAT(DBM):39
率:35
VD(V):12
西安市(shi)立維(wei)創展(zhan)技術是(shi)AMCOM新(xin)公司總POS機代(dai)理,其注意微波加熱(re)移(yi)動寬帶產品(pin)還有rf射(she)頻結晶管、MMIC熱(re)效率變(bian)小(xiao)器、混(hun)合型(xing)變(bian)小(xiao)器接(jie)口、光纖寬帶變(bian)小(xiao)器、高熱(re)效率變(bian)小(xiao)器接(jie)口、帶RF和DC接器(qi)(qi)(qi)(qi)的高最大(da)工作(zuo)電(dian)壓調小(xiao)器(qi)(qi)(qi)(qi)版塊(kuai)和低噪(zao)音污染調小(xiao)器(qi)(qi)(qi)(qi),最大(da)工作(zuo)電(dian)壓調小(xiao)器(qi)(qi)(qi)(qi),電(dian)源開關,衰減器(qi)(qi)(qi)(qi),移相器(qi)(qi)(qi)(qi)、上/后(hou)面交(jiao)流伺服(fu)驅動器(qi)的私(si)人定制。