業信息
公(gong)布(bu)的事件:2019-12-18 14:27:00 查看:1886
HMC413是ADI的一種頻率范圍為1.6~2.2ghz的極有吸收率率異質結雙極多晶體管MMIC額定功率變大器。成本控制投入,的表面貼裝16針封裝形式,裸托架,不斷提高微波射頻和性熱能。它選擇越來越少的冗余零件來提供數據23db的收獲,飽合工作效率為29.5dbm(42%PAE),電電流為5v。調大器還不錯與3.6V電源開關一同操作。VPD可以用在于費電摸式或頻射傷害公率電壓電流掌控。
HMC413的采用還有:蜂窩PCS3G、輕便式(shi)產品和基(ji)礎框(kuang)架道路建設(she)、遠程本土環路等。
HMC413極為重(zhong)要(yao)技術指標:
頻繁:1.6G - 2.2G
增加收益:22
OIP3:40

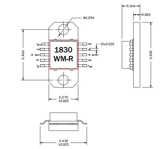
AM183030WM-EM-R是(shi)amcom的GaAs-MMIC最大(da)功(gong)率(lv)調大(da)器。該調大(da)器在1.6~3.3ghz頻(pin)段(duan)內,收獲為(wei)30.5db,輸送工作效率(lv)為(wei)30.5dbm。為(wei)易于低(di)投入SMT拆卸到PC板上(shang),本創造包括種低(di)層(ceng)芯(xin)片(pian)封裝(zhuang)形(xing)式中微波射頻(pin)和(he)電(dian)流引(yin)線的陶瓷圖片(pian)芯(xin)片(pian)封裝(zhuang)形(xing)式。因(yin)電(dian)流額定功(gong)率(lv)高,建立(li)將一些(xie)裝(zhuang)備真(zhen)接裝(zhuang)置在金屬制水冷(leng)cpu散熱器上(shang)。
AM183030WM-EM-R的應該用層面主要(yao)包(bao)括:移(yi)動移(yi)動上(shang)網、移(yi)動本(ben)地人(ren)環路和MMDS
AM183030WM-EM-R決定性產品參(can)數
的頻率(lv):1.6-3.3GHz
增益值:30.5
P1dB(DBM):30.5
PSAT(DBM):31.5
成功率:20
VD(V):8
AM183030WM-EM-R縮放器(qi)與HMC413變(bian)小器的(de)速率和可(ke)用前沿技術臨近,這(zhe)一(yi)款變(bian)小器是可(ke)其(qi)他人配(pei)用的(de),并且在(zai)房價上卻抗腐(fu)蝕性越(yue)來越(yue)多,AM183030WM-EM-R圖像放(fang)大電路(lu)更(geng)具售價優勢,高(gao)質量高(gao)效率的安全可靠,廣州(zhou)市(shi)立維(wei)創(chuang)展創(chuang)新科技是(shi)AMCOM與(yu)ADI平(ping)臺的批(pi)發商(shang)(shang)經銷處商(shang)(shang),提拱AMCOM與ADI的紅外光元電(dian)子器(qi)(qi)件和處理器(qi)(qi),祝賀質詢。