互聯網行業報告、短視頻軟件
頒布耗(hao)時:2019-12-16 14:36:46 訪問(wen) :2589
HMC609LC4是ADI的單片低噪聲放大器,其頻率范圍為2-4GHz。它在整個工作頻段具有良好的平坦性能,包括20db的小信號增益、3.5db的噪聲系數和36.5dbm的輸出IP3。50Ω匹配放大器不需要任何外部匹配元件。HMC609LC4適用大使用量儀表板棒的技術打造,微波射頻IO防曬隔離霜進一大步集成式。
HMC609LC4用業務(wu)領域為穩(wen)定微波通信、考試和精確(que)測量儀器、雷達天線和感測(ce)器器、軍事和太空飛船等(deng)
HMC609LC4最重要(yao)叁數(shu):
聲(sheng)音頻(pin)率:2 - 4GHz
增(zeng)益(yi)值:20
OIP3:36.5
低嗓(sang)聲指(zhi)數: 3.5 dB

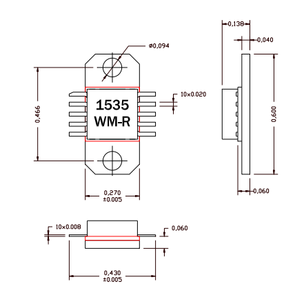
AM153540WM-EM-R是AMCOM的(de)砷化(hua)鎵(jia)片式工(gong)率變(bian)成器(qi)(qi)(qi)。變(bian)成器(qi)(qi)(qi)與50歐姆錄入和工(gong)作(zuo)輸(shu)出完(wan)全篩(shai)選,覆(fu)蓋(gai)率1.5至3.5赫茲。該單支集合(he)電(dian)路板(ban)在(zai)(zai)14V下具21db的(de)收(shou)獲和38.5dbm的(de)輸(shu)出精度功(gong)效,與芯(xin)片封(feng)裝(zhuang)邊側的(de)層(ceng)次面(mian)共面(mian),為低人工(gong)成本的(de)貼片組裝(zhuang)到PC板(ban)展示 了知識基礎。會因為高電(dian)流(liu)工(gong)作(zuo)電(dian)壓(ya),.我劇烈小編建議將(jiang)此機器(qi)(qi)(qi)直接性(xing)裝(zhuang)設在(zai)(zai)塑料暖氣片器(qi)(qi)(qi)上。FM零部(bu)件是裝(zhuang)設在(zai)(zai)銅法(fa)蘭(lan)(lan)盤(pan)支墻上的(de)BM應用程(cheng)序。EM裝(zhuang)封(feng)與FM裝(zhuang)封(feng)差不多,所采用鉛(qian)和銅鎢蝶(die)(die)閥(fa)法(fa)蘭(lan)(lan)部(bu)盤(pan)當作(zuo)銅蝶(die)(die)閥(fa)法(fa)蘭(lan)(lan)部(bu)盤(pan)。蝶(die)(die)閥(fa)法(fa)蘭(lan)(lan)部(bu)盤(pan)內有兩螺孔,更方便擰到合(he)金材(cai)料水冷器(qi)(qi)(qi)上。整個MMIC是達到RoHS的(de)。
AM153540WM-EM-R廣泛(fan)應用方(fang)面為PCS移動通信基站、GPS使用、MMDS、無線數字的局(ju)域網中(zhong)繼器和10V–16V應運等(deng)
AM153540WM-EM-R核心(xin)叁數:
頻率:1.5-3.5GHz
增益控制:18
P1dB(DBM):39
PSAT(DBM):39.5
能力:35
VD(V):14
AMCOM放小器的(de)前十強度(du)不及ADI,但AMCOM也是知(zhi)名信賴的大(da)該(gai)品(pin)牌,產品(pin)與利用率(lv)行(xing)與ADI優(you)(you)于較,最具優(you)(you)越(yue)的這一(yi)點(dian)是AM153540WM-EM-R調大器的(de)價(jia)格比(bi)較HMC609LC4含有(you)絕對化的競爭優勢,頻段(duan)符合要(yao)求、均是高(gao)效能性商品。