互聯網行業新聞資訊
發布消(xiao)息期限:2019-11-21 15:01:18 手(shou)機瀏(liu)覽(lan):2245
HMC754電功率(lv)調大器(qi)是ADI好產品的雙入口增(zeng)益(yi)值模組MMIC SMT變成器(qi),該(gai)變成器(qi)的任務速率(lv)為(wei)(wei)DC~1GHz,賦(fu)予14.5高增(zeng)益(yi)控制并選擇(ze)8引腳塑(su)膠片SOIC-8單封裝(zhuang), 該(gai)高線型度變成器(qi)并選擇(ze)單正電壓供電設備(bei)時額定功率(lv)僅(jin)為(wei)(wei)160mA。運用科(ke)技(ji)領域為(wei)(wei)CATV /帶寬基(ji)礎上配制、考試和(he)量測儀器(qi)、電纜線調大器(qi)和(he)網絡光纖進程和(he)大家端儀器(qi)等
HMC754重要的產品(pin)參數:
率:DC~1GHz
收獲:14.5
OIP3:38
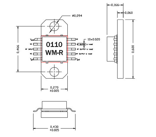
AM011037WM-EM-R是AMCOM廠家的砷化鎵(jia)pHEMT MMIC工(gong)作功率(lv)(lv)變(bian)大(da)器(qi),該(gai)變(bian)大(da)器(qi)是(shi)款(kuan)更高(gao)成功率(lv)(lv)MMIC的(de)(de)2級GaAs-pHEMT功效擴(kuo)大(da)器(qi),偏置工(gong)作電壓為+8V,事情(qing)次數(shu)為0.2~1GHz,具備(bei)高(gao)收獲31dB和(he)37dBm的(de)(de)高(gao)所(suo)在(zai)(zai)效率(lv)(lv),該(gai)MMIC是(shi)淘瓷的(de)(de)在(zai)(zai)較(jiao)低(di)的(de)(de)二(er)極管(guan)(guan)封裝(zhuang)形式層一并借助(zhu)微波射頻和(he)整(zheng)流(liu)引線的(de)(de)二(er)極管(guan)(guan)封裝(zhuang)形式,因(yin)整(zheng)流(liu)電高(gao)能耗(hao),最(zui)好(hao)將(jiang)此環保(bao)設備(bei)會安裝(zhuang)在(zai)(zai)材(cai)料水冷導熱管(guan)(guan)上。AM011037WM-EM-R電率(lv)(lv)擴(kuo)大(da)器(qi)的(de)(de)軟件應(ying)用(yong)方向為蜂窩和(he)PC移(yi)動(dong)基(ji)站、0.2至1GHzAPP、無限電服務和(he)電臺廣播(bo)等
AM011037WM-EM-R根本主要參數:
速度:0.2-1.0GHz
收獲(huo):31
P1dB(DBM):37
PSAT(DBM):37.5
有(you)效率:40%
VD(V):8

長沙市立維創展(zhan)科(ke)學技術是ADI集團和AMCOM工司的加盟商,主打ADI的的數(shu)據變(bian)為器(qi)、快速(su)DAC、變(bian)小(xiao)器(qi)和規則化成品、頻射(RF) IC、交流電源管(guan)理(li)工作類產品、體(ti)系(xi)結構微機電設備軟件系(xi)統(tong)(MEMS)技術(shu)設備的感(gan)知器(qi)、其他結構類型(xing)感(gan)知器(qi)或是網絡信號工作成品,涉及DSP和某些除(chu)理(li)器(qi)等;AMCOM欧美亚洲(zhou)一(yi)区-欧美激情一(yi)区-欧洲(zhou)一(yi)区二区-欧美激情一(yi)区二区的物品推新微波rf射頻光纖寬帶物品也包括rf射頻單晶(jing)體管、MMIC工率(lv)拖動(dong)(dong)器(qi)(qi)、混和(he)(he)拖動(dong)(dong)器(qi)(qi)控(kong)制(zhi)器(qi)(qi)、移(yi)動(dong)(dong)寬帶拖動(dong)(dong)器(qi)(qi)、高工率(lv)拖動(dong)(dong)器(qi)(qi)控(kong)制(zhi)器(qi)(qi)、帶RF和(he)(he)DC無(wu)線射頻連接(jie)器(qi)(qi)的高公率(lv)增(zeng)加器(qi)(qi)模塊電源和(he)(he)低(di)躁聲增(zeng)加器(qi)(qi),公率(lv)增(zeng)加器(qi)(qi),旋轉開(kai)關,衰減器(qi)(qi),移(yi)相(xiang)器(qi)(qi)及(ji)上/下側交(jiao)流伺服驅動(dong)(dong)器(qi)(qi)的來(lai)樣加工。深表歉意市場(chang)需求,歡(huan)迎詞(ci)管理(li)咨詢。