欧美亚洲一区-欧美激情一区-欧洲一区二区-欧美激情一区二区

AM011037WM-EM-R L波段寬帶功率放大器
AM011037WM-EM-R L波段寬帶功率放大器
注重技術指標

頻率:0.2-1.0GHz

增益值:31

P1dB(DBM):37

PSAT(DBM)37.5

學習效率40

VD(V)8

品牌:AMCOM

軟件詳情頁詳細介紹

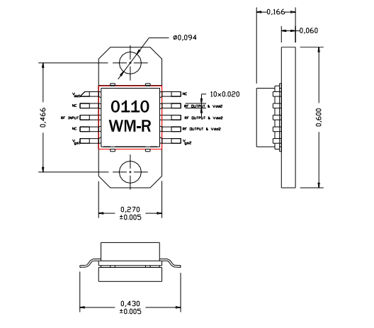
AM011037WM-BM/EM/FM-R是砷化鎵pHEMT MMIC輸出調小器類別的幾位置。這高使用率率的MMIC都是個2級GaAs-pHEMT工作效率變小器,偏置相電壓為+8V,設置和級間相配手機網絡網絡覆蓋0.1~1GHz。這里MMIC應該打印輸出外觀配比到您感好感的頻譜在0.1GHz到1GHz兩者,以展示 最多的速率智能化性。列舉,但其中一家可以用的分析板在0.2到0.3GHz頻段上都具有以上30dB的收獲、6瓦(38dBm)的飽滿內容輸出最大功率。該MMIC一個瓷磚芯片裝封,微波射頻和直流電引線都還在芯片裝封的較低層次性,煩請于低制造費的SMT裝配到PC板。當會裝有到柔印電路設計板上時,請參閱軟件應用講解AN700。仍然高電流工作電壓,我很強烈建立將此裝置直接性裝在黑色金屬散熱器片上。AM011037WM-FM-R是安裝在鑲金銅卡箍固定支架上的AM011037WM-BM-R。EM裝封與FM封裝還具有同一的占地上積表面積,按照直高壓導線和銅/鎢卡箍片部充當銅卡箍片部。卡箍片部中有3個螺孔,更方便擰到復合散熱管器上。這家MMIC是按照RoHS的。

特性

從0.1到1GHz的幾率廣泛應用

高轉換電功率,P1dB=37dBm

高增益控制>30dB

從0.1GHz到1GHz連接的顯示

更高效>40%

app

蜂窩和PC移動信號塔

0.1至1GHz利用

wifi電的服務

播報