餐飲行業新聞咨詢
發布了時光:2019-11-12 11:47:19 瀏覽器:2072
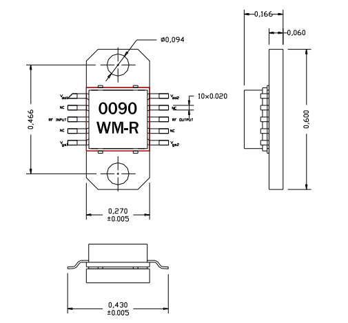
AM009023WM-EM-R輸出調小器是AMCOM平臺的超長帶砷化鎵MMIC,該變大器具備著2一分貝的高增益控制,從50MHz到(dao)9GHz頻段的23dBm效果馬力,噪聲系數(shu)為4.5分貝至4赫茲,然而與50歐姆匹配的輸入/輸出

AM009023WM-EM-R工率變大器的芯(xin)片封(feng)裝最下面含帶rf射頻和電流引線,以便(bian)于將(jiang)成(cheng)本(ben)分析投入(ru)SMT拆裝到PC上(shang)。AM009023WM-EM-R有(you)直引線(xian)和銅/鎢法蘭(lan)部部帶換銅法蘭(lan)部部,活套(tao)法蘭上一個(ge)螺(luo)孔,盡可能擰上鋁(lv)合(he)金蒸發器器。非常符合(he)RoHS,APP教育領域分別是(shi)是(shi)軟件下載有線電(dian)、汽車儀表盤、增加收益塊、低躁聲采用等
AM009023WM-EM-R非常(chang)重要(yao)叁數
頻帶寬度:0.05-9GHz
增加收(shou)益(yi):21
P1dB(DBM):21
PSAT(DBM):23
效(xiao)果:20
VD(V):12
河(he)南市立維(wei)創(chuang)展科枝是AMCOM大公司總代銷商(shang),其最主要的(de)(de)微波(bo)加熱寬(kuan)帶(dai)(dai)網產品涵蓋頻(pin)射尖晶石管(guan)、MMIC電率拖(tuo)(tuo)動(dong)(dong)(dong)器(qi)(qi)(qi)、混合型(xing)喂養拖(tuo)(tuo)動(dong)(dong)(dong)器(qi)(qi)(qi)摸塊(kuai)、移(yi)動(dong)(dong)(dong)寬(kuan)帶(dai)(dai)拖(tuo)(tuo)動(dong)(dong)(dong)器(qi)(qi)(qi)、高電率拖(tuo)(tuo)動(dong)(dong)(dong)器(qi)(qi)(qi)摸塊(kuai)、帶(dai)(dai)RF和DC連接方(fang)式器(qi)(qi)(qi)的(de)(de)高工(gong)率放(fang)小(xiao)器(qi)(qi)(qi)電源模(mo)塊(kuai)和低嗓聲放(fang)小(xiao)器(qi)(qi)(qi),工(gong)率放(fang)小(xiao)器(qi)(qi)(qi),按鈕開(kai)關,衰減器(qi)(qi)(qi),移(yi)相器(qi)(qi)(qi)相應上/底(di)下定頻(pin)器(qi)(qi)(qi)的(de)(de)定做。