行業內信息
發布(bu)信息日(ri)期:2019-11-14 10:56:28 預(yu)覽:3364
HMC8410-DIE低燥聲調小器是ADI子公司的哪款砷化鎵、單集成icMMIC和假晶(jing)(jing)高微(wei)電子(zi)遷入率(lv)結晶(jing)(jing)體管的增加(jia)器,該調小器內(nei)外部適配50 Ω,事情次數比率為0.01 GHz至10 GHz,提供了19.5 dB典型性(xing)增益值、1.1 dB典型案例躁音標準值和(he)33 dBm明顯轉換IP3
HMC8410-DIE低躁音變小器的用各個領域為游戲設定手機(ji)無線電(dian)、網上戰和雷達天線應(ying)該用(yong),產品報價為$32.85
比(bi)較重要技術參數
工(gong)作頻(pin)率(lv):0.01 GHz至10 GHz
低嘈(cao)音指(zhi)數公式:1.1 dB
高(gao)增加收益:19.5 dB
高轉換三階交調截點(IP3):33 dBm

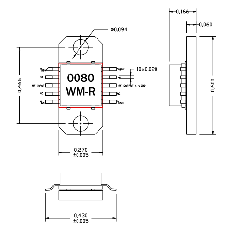
AM008030WM-EM-R圖像放大(da)器電路是AMCOM子公(gong)司(si)的這款超長帶砷化鎵MMIC,該擴大器鍵盤輸入/輸入自動匹配50歐姆(mu),體現了18聲音分貝的高增加收益,而是>0.05GHz至10GHz頻段28dBm打(da)出瓦數。AM008030WM-EM-R的用方面(mian)為(wei)應用wifi手機電(dian)、電(dian)子儀表和增益控制塊
核心運作
次數:0.05-10GHz
增加收(shou)益:18
P1dB(DBM):30
PSAT(DBM):31
利用(yong)率:20
VD(V):12
與HMC8410-DIE相(xiang)對,AM008030WM-EM-R放縮器雖無ADI子公司(si)的好產品前十強更高,但也是國際(ji)上(shang)大公司(si),另(ling)外參數值、應用也絕不低于HMC8410-DIE,AM008030WM-EM-R擴大器價格多少低價、高質量參(can)數特(te)別(bie)經(jing)用,追捧咨詢(xun)了解立(li)維創展。