欧美亚洲一区-欧美激情一区-欧洲一区二区-欧美激情一区二区

AM009023WM-EM-R L/S/C/X波段寬帶功率放大器
AM009023WM-EM-R L/S/C/X波段寬帶功率放大器
極為重要參數表

頻率:0.05-9GHz

增加收益:21

P1dB(DBM):21

PSAT(DBM):23

學習效率:20

VD(V):12


品牌:AMCOM

類產品詳情頁簡紹

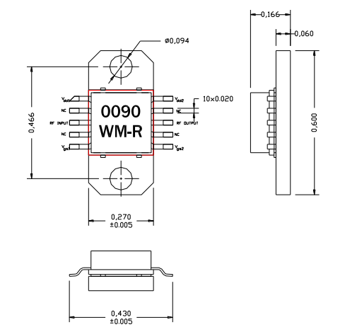
AM009023WM-BM/EM/FM-R不是種過寬帶砷化鎵MMIC馬力變成器。它的增益控制為21dB,在0.05到9GHz頻段的內容輸出最大功率為23dBm。噪音常數為4.5音貝至4赫茲。該MMIC就是一個陶瓷制品裝封,微波射頻和直流變壓器引線在裝封的下層社會,于低人工成本的SMT組裝流水線到PC板上。AM009023WM-FM-R不是個AM009023WM-BM-R,轉配在鍍銀銅蝶閥法蘭固定支架上,主要用于擰到金屬材質導熱器上。EM封裝形式與FM封裝類型具一模一樣的土地征用戶型,主要采用直接地線和銅/鎢蝶閥活套法蘭盤充當銅蝶閥活套法蘭盤。蝶閥活套法蘭盤上面5個螺孔,用于擰到復合cpu風扇散熱上。這里MMIC是達到RoHS的。

結構特征

從50MHz到9GHz的過寬帶

模擬輸出馬力,P1dB=21dBm

高增益控制,21dB

與50歐姆連接的發送/輸出的

圖片軟件遠程電

儀表盤

增加收益塊

低的噪音APP