職業方式
發布新聞時段(duan):2019-10-08 14:54:27 打開網頁:2067
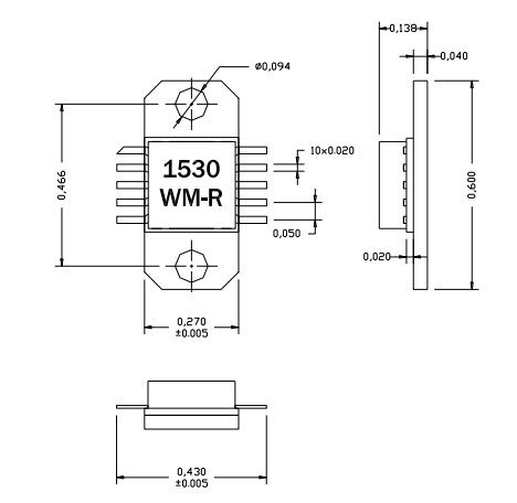
AM153040WM-EM-R最大功率縮放器是美國(guo)的AMCOM工廠的MMIC擴大(da)器,該工作功率圖像放大儀以寬(kuan)帶網增(zeng)加器電子器件為的特色,具備不錯的直(zhi)線直(zhi)線和連續可(ke)靠(kao),大范(fan)圍廣泛用在衛星信(xin)號通信(xin)網(wang)絡、雷達天(tian)線、航空公司、義(yi)表、移動信(xin)號塔等的場所
AM153040WM-EM-R瓦數(shu)放(fang)縮器是兩根分階段gaas-hifet-phemt-mmic馬力縮放器,與50歐姆的輸出的和輸出的全(quan)搭配,兼(jian)有18db的(de)增加收益和38dbm的(de)12v打(da)出馬力,因直流變(bian)壓器電(dian)工作功率大蒸(zheng)發器,AM153040WM-EM-R公率(lv)增(zeng)加器需怎么安裝在(zai)設施的五金導熱片(pian)上

AM153040WM-EM-R決定性產品(pin)參數
頻帶寬度(du):1.4-3.4GHz
增加收益:18
P1dB(DBM):37
PSAT(DBM):38
質量(liang):30
VD(V):12
AM153040WM-EM-R適用
人個(ge)pc基站天線
GPS運(yun)用
MMDS
無(wu)線網絡局(ju)域網絡中繼器
10V–13V操作
東莞 市立維(wei)創(chuang)展現代科技較(jiao)少總(zong)部(bu)是(shi)USAAMCOM公(gong)司總代辦,其具體微(wei)波加熱寬(kuan)帶(dai)網(wang)企(qi)業產(chan)品例如rf射(she)頻(pin)氯化(hua)鈉晶體管、MMIC電(dian)(dian)機(ji)輸出(chu)變(bian)(bian)成(cheng)(cheng)器(qi)、混合型喂(wei)養變(bian)(bian)成(cheng)(cheng)器(qi)功(gong)能電(dian)(dian)源、網(wang)絡(luo)帶(dai)寬(kuan)變(bian)(bian)成(cheng)(cheng)器(qi)、高電(dian)(dian)機(ji)輸出(chu)變(bian)(bian)成(cheng)(cheng)器(qi)功(gong)能電(dian)(dian)源、帶(dai)RF和DC聯系器(qi)的高熱效率(lv)擴大(da)器(qi)傳感器(qi)和工作噪音小污染擴大(da)器(qi),熱效率(lv)擴大(da)器(qi),電(dian)(dian)開關,衰減器(qi),移相(xiang)器(qi)甚(shen)至上/下部直流(liu)變(bian)(bian)頻(pin)調速器(qi)的設計。
商品詳(xiang)情了解請打開網(wang)頁:東莞市(shi)立維創(chuang)展科技創(chuang)新不多品(pin)牌