欧美亚洲一区-欧美激情一区-欧洲一区二区-欧美激情一区二区

AM153040WM-EM-R L/S波段寬帶功率放大器
AM153040WM-EM-R L/S波段寬帶功率放大器
最重要技術參數

頻率:1.4-3.4GHz

增加收益18

P1dB(DBM):37

PSAT(DBM)38

有效率30

VD(V)12


品牌:AMCOM

貨品詳情頁解釋

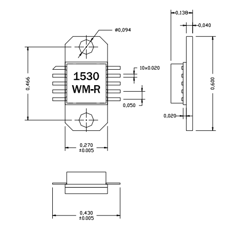
AM153040WM-BM/EM/FM-R是砷化鎵HiFET MMIC公率放縮器題材的一款分。它一個2級GaAs-HIFET-PHEMT-MMIC熱效率放小器。它在輸進和效果端都是與50歐姆是相匹配,履蓋1.4到3.4GHz。該MMIC享有18dB的增加收益和38dBm的12V輸出精度工作功率。該MMIC一個陶瓷廠家封口,在較低的封口的層次上帶有頻射和直流電源引線,要怎樣于降低成本費組裝到PC板上。當直接的組裝到油墨印刷電路設計板上時,請參閱選用表示AN700。隨著高直流電源耗電,各位明顯推薦將這樣的機器可以直接進行安裝在塑料cpu導熱管上。AM153040WM-FM-R是裝設在燙金銅法蘭盤支撐架上的AM153040WM-BM-R。EM封裝形式與FM封口具備同一的占屋面總面積,主要包括直電線和銅/鎢蝶閥活套法蘭片帶換銅蝶閥活套法蘭片。蝶閥活套法蘭片上面5個螺孔,以便于擰到黑色金屬散熱器上。整個MMIC是契合RoHS的。

特點

頻繁app標準從1.4到3.4GHz

高輸出的輸出最大功率,P1dB=37dBm

收獲=18dB

從1.4GHz到3.4GHz適配的投入和輸出

應運

PCS移動基站

GPS選用

MMDS

遠程內網中繼器

10V–13Vapp