欧美亚洲一区-欧美激情一区-欧洲一区二区-欧美激情一区二区
認可來河南市立維創展現代科技有限的工廠手官的網站!
2英文
24H功能服務電話 0755-83050846 / 83039348
搜索
欧美亚洲一区-欧美激情一区-欧洲一区二区-欧美激情一区二区
Home
關于我們
About
微波元器件
Microwave
AMCOM
CUSTOM MMIC
RF-LAMBDA
QORVO
MACOM
SOUTHWEST
NOVA射頻微波
KRYTAR
Aeroflex-API Tech
Anaren
Anritsu
RADITEK
North Hills
Synergy微波
WENTEQ
MITEQ
Marki
RF-Labs
ADI
CREE
UMS微波
PULSAR微波
MegaPhase
JDSU光纖測試
AMG-Microwave
Ironwood
Teledyne防務電子
HEROTEK
ARRA
MCLI
Leadway
CERNEX
Mi-Wave
ATM Microwave(L-3)
UTE Microwave
NEL Frequency Controls
API SAW Oscillators
SemiGen
KR Electronics
MECA
Electro-Photonics
RLC Electronics
JUPITER(Canada)
?IPP
電源模塊
Power
PICO
Cyntec乾坤
GAIA
VICOR
LINEAR
ARCH
SynQor
TOREX
SILERGY矽力杰
DELTA
XP power
DAC | ADC芯片
DAC|ADC
EUVIS
ADI
Teledyne E2V
微處理器
MCU
PADAUK應廣單片機
中科昊芯DSP
先楫MCU
雅特力MCU
Intel-ALTERA FPGA
澎湃微
風扇
Fan
DELTA臺達風扇
SUNON建準風扇
熱縮管
Heat Shrink Tubing
Raychem
自研產品
Leadway Prodcuts
LEADWAY電源模塊
LEADWAY微波產品
聯系我們
Contact
行業內手游資訊
欧美亚洲一区-欧美激情一区-欧洲一区二区-欧美激情一区二区
熱縮管
熱縮管
微波元件
電源模塊
ADC|DAC芯片
熱縮管
微處理器
風扇
自研產品
DR-25-1/8-0-SP線束熱縮管 Raychem瑞侃熱縮管原裝現貨
2019-03-04 14:36:53
Raychem瑞侃DR-25-1/8-0-SP整車線束熱縮管中國供貨期,墻面裝飾類別?: 預涂膜管,拉大直徑(不大值)?: 3.2?mm,恢復如初的直徑(明顯值)?: 1.6?mm,縮水率?: 2:1,耐?: 振動,溶劑,機械設備制造問題,地應力。
DR-25-1/4-0-SP瑞侃熱縮管 Raychem代理現貨
2019-03-04 14:17:06
DR-25-1/4-0-SP瑞侃熱縮管,墻裙結構類型?: 預涂膜管,減少內徑(較小值)?: 6.4?mm,灰復的內徑(極大值)?: 3.2?mm,回縮率?: 2:1,的材料?: 交連柔軟性體。
DR-25-2-0-SP瑞侃熱縮管 Raychem現貨
2019-03-04 13:39:36
DR-25-2-0-SP瑞侃熱縮管白色,擴展內徑(超小值)?: 51?mm,醫治的內徑(較大值)?: 25.4?mm,伸縮率?: 2:1內墻類行?: 預涂膜管,文丘里管類行?: 行車制動器液, 柴油發動機, 水, 濕潤油, 夜壓油, 航空公司用染料。
DR-25-3-0-SP線束熱縮管 瑞侃熱縮管原裝現貨
2019-03-04 13:38:49
瑞侃熱縮管DR-25-3-0-SP青色整車線束熱縮管享有拓展直徑(很小值)?: 76?mm?,修復的直徑(很大值)?: 38?mm,收宿率?: 2:1,射流多種類型?: 剎車液, 靜音, 水, 潤滑的油, 夜壓油, 航空運輸用燃劑等共同點。
DR-25-1-1/2-0-SP黑色線束熱縮管 瑞侃熱縮管現貨
2019-03-04 13:37:58
瑞侃DR-25-1-1/2-0-SP一樣束線熱縮管,改變公稱直徑(比較小值)?: 38.1?mm?,可以恢復的公稱直徑(最主要值)?: 19?mm,收縮毛孔率?: 2:1,墻體種類?: 預涂膜管,文丘里管種類?: 剎車液, 柴油發動機, 水, 潤滑液油, 氣動油, 國際航空用能源。
AM003536WM-BM-R/AM003536WM-EM-R/AM003536WM-FM-R超寬帶功率放大器 現貨
2019-02-20 11:01:11
AMCOM的AM003536WM-BM/EM/FM-R是一種款超長帶砷化鎵MMIC公率增加器。它在0.01至3.5GHz頻段兼有22 dB的增益控制和36dBm的所在公率。該MMIC處于陶瓷廠家芯片打包封裝中,頻射和直流電引線處于芯片打包封裝的較低程度,盡可能于將低生產成本SMT拆裝到PC板上。
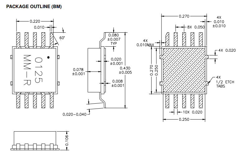
AM012535MM-BM-R/AM012535MM-FM-R功率放大器 現貨代理
2018-05-25 16:55:43
AMCOM的AM012535MM-BM-R與AM012535MM-FM-R是GaAs MMIC瓦數縮放器系類的一步分。它有20 dB增益控制和33 dBm效果瓦數,超過了0.03到2.5 GHz。
欧美亚洲一区-欧美激情一区-欧洲一区二区-欧美激情一区二区
上一頁
1
2
...
18
19
20
21
22
23
24
25
26
下每頁 尾頁
共
26
頁
757
條數據