業最新資訊
分享時間段(duan):2025-08-28 15:04:32 看:22
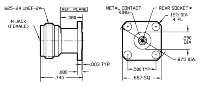
312-04SF是SOUTHWEST華東(dong)紅外(wai)光(Southwest Microwave)精(jing)密儀(yi)器級 N 型母(mu)頭卡(ka)箍使(shi)(shi)用(yong)相連器,中用(yong)于 DC–18 GHz 寬帶網絡情景。護殼不銹鋼(gang)管燙金(jin)防污,管理中心導體鈹銅(tong)燙金(jin),使(shi)(shi)用(yong) 0.085" 半剛/柔電(dian)覽。全頻段 VSWR ≤1.25:1,插損(sun) <0.1dB(10GHz),熱效率 200W,耐(nai)高溫 -55°C 至(zhi) +165°C,500 次插拔比較穩定,可以選(xuan)擇密封(feng)性封(feng)裝形式(shi),適合軍標及航(hang)空v認(ren)證,常使(shi)(shi)用(yong)航(hang)空、相控陣無線天線等高安全可靠研究方向(xiang)。
功能參數(shu)指(zhi)標:
? 聲音頻率:DC–18 GHz
? 法蘭片:0.687" 方 4 孔固定位(wei)置(zhi)
? 接受了公司針(zhen)孔徑:0.036"
? VSWR:1.15:1(其最(zui)典型的值)
? 工作(zuo)溫度(du):-55 °C ~ +165 °C
? 要(yao)選密(mi)封(feng)封(feng)裝類型,適(shi)合 MIL-STD-348 接口(kou)類型標準(zhun)規范
電氣成套(tao)效果:
的電壓駐(zhu)波比(VSWR):直式(shi) ≤1.15(6 GHz 時),彎(wan)式(shi) ≤1.25(6 GHz 時)。
導入(ru)耗損(sun):≤0.24 dB(6 GHz 時)。
耐線電(dian)壓:2500 V rms;運(yun)行(xing)電流電壓:1000 V rms。
使用電容:服務中心了解電阻值 ≤1 mΩ,外導體電阻功率(lv) ≤1 mΩ。
絕(jue)緣性電阻功率:≥5000 MΩ。
機誡使用性能:
交叉耦合方式方法:5/8-24 管(guan)螺紋對(dui)接,以確保(bao)機(ji)械振(zhen)動區域(yu)環境下(xia)的動態平衡性。
保(bao)持(chi)良好(hao)力(li):≥6 lbs(平臺導(dao)體(ti))。
自動化設備生存(cun)期:≥500 次插(cha)拔(應用鈹銅(tong)接觸的面積件(jian)時(shi))。

氛圍自我調節性:
耐(nai)蝕(shi)化性:滿(man)足 MIL-STD-202 Method 101 標準(zhun)的。
噪聲:MIL-STD-202 Method 204 軟件測試用。
組成部分與素材
硬殼按照鋼和 CRES 硬質合金 UNS S30300,觸點開關選(xuan)用鈹(pi)銅 (BeCu) UNS C17300。
介電(dian)相關(guan)材(cai)料(liao)為純 PTFE 氟碳的原材(cai)料(liao),機構了(le)解獲取選擇室溫 Ultem 1000。
行為主(zhu)體:紅銅(tong)鍍(du)鎳,外觀(guan)外理(li)耐腐(fu)燭。
咨詢中心針:銅質(zhi)鍍銀,加(jia)強組織(zhi)領導(dao)低觸及熱(re)敏電阻與屢次插拔穩固性(xing)。
隔絕體:聚四氟乙稀(PTFE)或聚甲醛濃度(POM),低耗(hao)用(yong)、耐較高溫度。
法(fa)蘭部盤:4 孔四方形設置,孔距 0.531",配適條件 0.750" 方腔或印章刻制板。
端口與(yu)瀏覽器(qi)兼容性:
連結器界面(mian)達(da)(da)到 MIL-STD-348 細(xi)則,包(bao)括突(tu)起金(jin)屬制接地系統環,達(da)(da)成 360° 合(he)(he)金(jin)材料與合(he)(he)金(jin)材料使用(yong)。
可與各(ge)種達(da)到 MIL-STD-348 標準(zhun)規定的微波射頻元器件兼容。
利用場合(he)
通信設備系統化(hua):
全(quan)向天線(xian)、移動(dong)通信(xin)基站、處于被動(dong)/主動(dong)地移動(dong)信(xin)號塔(ta)構件。
電臺廣(guang)播光電子、WIFI 網路、器機對器機通訊網絡。
化工業研究方向(xiang):
雷達探測產品、rf射頻消融制療儀。
檢(jian)查沖(chong)壓(ya)模具、高輸出功率(lv)頻射方案。
航天工程航天工程:
北斗衛星通信技術、相(xiang)控陣無(wu)線(xian)天線(xian)體統。
足夠 NASA/ESA 釋(shi)氣(qi)實名認(ren)證規定。
重要性(xing)材質(zhi):
312-01SF、312-02SF、312-03SF 等,用戶組可會按照具體(ti)的(de)需(xu)要量選澤(ze)好的(de)尺寸。
蘇州市立維創展科技發展成為SOUTHWEST大西(xi)南微波(bo)加熱(re)大有些尺(chi)寸帶(dai)來了期貨食(shi)品,并輔助(zhu)帶(dai)來了技術設備支撐(cheng)與(yu)售服業務,喜愛(ai)在線咨(zi)詢。