企業最新資訊
公布時間:2025-08-14 16:46:23 預覽:34
在智能設備設計制作階段中,電源線輸出模塊的挑選對產品的能表現形式、成本費掌控還有銷售鏈的穩定性可以信賴起著重中之重性的效用。TI(濰坊檢測儀器)集團旗下的PTH12060WAD用作行行業的經點食品,雖倍受認同,卻也遭受著香港國際供貨鏈不動態平衡、人工成本居高至少等挑戰性。相對之余,日本產Leadway國產品牌面世的LWH12060WAD,因而卓越的使用性能性能和中國文化整合分娩的優劣勢,加入了高效率的代替品PTH12060WAD的佳選擇。
指標對比圖:核心思想能逐步提升等級
技術參數 | LWH12060WAD(Leadway) | PTH12060WAD(TI) |
進入電壓值范圍之內 | 10.8V~13.2V | 10.8V~13.2V |
的輸出的電壓空間 | 1.2V~5.5V | 1.2V~5.5V |
輸入電流量 | 10A(連續不斷) | 10A(不間斷) |
使用率 | 94% | 88%-95%(具代表性值92%) |
運作濕度 | –40 °C ~ +108 °C | –40 °C ~ +85 °C |
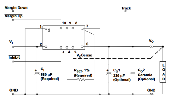
芯片封裝尺寸圖 | 10-DIP,25.4mm×15.7mm×8.9mm | 10-DIP,25.4mm×15.7mm×8.9mm |
引腳判定 | 標準單位 POLA/TI 引腳 | 標 POLA/TI 引腳 |
關鍵性使用性能擊破:溫度表、作用與可信性
1.業務濕度的范圍擴大
LWH12060WAD:-40℃~+108℃(地方檔案資料顯視-40℃~+125℃)
PTH12060WAD:-40℃~+85℃
主要優勢:LWH12060WAD的支持越高溫壞境,支持于化學工業手動化、室外通信系統設施設備等極端化景象。
2.技術性電阻調高與隊列的控制
LWH12060WAD轉入動態信息相交流電壓自動調節功能性,可實時公交積極響應環境下影響,盡量不要相交流電壓跌漲從而導致的體系卡死。
智能家居管理隊列管理特點,認可多功能信息化上電/無電時序工作管理,抽象化外接電源的設計,降低外置邏輯性電路設計。
好處:升級設計構思情況相應實力,較低設計構思比較復雜度與直接費用。
3.電阻裕度控制與編譯程序插孔
LWH12060WAD支持系統±10%線電壓裕度調控,可根據I2C主板接口代碼編程,便捷替換不同于根據消費需求。
PTH12060WAD僅可以支持硬件軟件修正,智能化性不到。
資源優勢:LWH12060WAD更習慣新城市化智慧的設備對電原管控的精準化讓。
4.電磁能兼容性設置與認正
LWH12060WAD經由EN60950-1修訂版證書,渦流兼容的提升20dB,才能減少對其他電路系統的騷擾。
好處:充分考慮嚴酷的工藝與數據通信標,提拔系統綜合不靠譜性。

瀏覽器兼容性與人工成本特色:無縫拼接帶替,降本提質增效
1.引腳兼容與PCB復接
LWH12060WAD采取標準單位化引腳舉例,與PTH12060WAD引腳齊全兼容,需修訂PCB布局合理,就直接編輯就能。
特色:大幅度縮短生產制造生長期,影響轉換制造費。
2.生產鏈與成本價優化系統
LWH12060WAD賣場交易量適足,原機交貨從12周改變至4周,減少缺貨高風險。
大批量招標采購費用變低15%,功能蓄電量周期公式不斷增加至10年,拉低長久的檢修成本預算。
優勢:大幅提升供給鏈穩定的性,限制終合直接費用。
利用場景中適用性
行業主動化:LWH12060WAD的寬溫範圍(-40℃~+108℃)與優質率(94%),于于無刷電機控制器器、感應器器供電系統等消費場景,避免表面溫度對產品的導致。
網絡通訊機 :在5G通信基站中,LWH12060WAD的動態圖片額定電壓調整技能可改進頻射自動化測試濾波,相配中頻電路系統電位差,削減移動信號失幀。
功能器與數據庫基地:為CPU/GPU給出平穩交流電,低DCR(交流電阻值)以減少起熱,提高自己功效,蘋果支持高瞬態死機需求量。
北京市立維創展科枝非常有限工廠收獲20年智能電子元電子電子器件工藝積攢,行業的產品設備研發團隊圖片和品格團隊圖片,創造Leadway電模塊圖片軟件。以技術性研發為體系化,做最更適合市面要的軟件規格為。軟件趕超美系、日式,實行pin &pin重命名如須要其中技木扶持,或貨品資詢,喜愛資詢。