的行業手游資訊
發布(bu)信(xin)息時:2024-11-05 17:41:59 瀏(liu)覽器:816
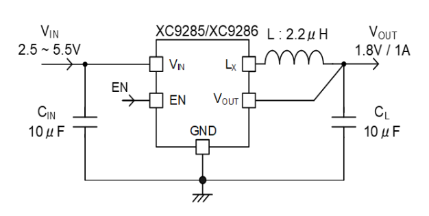
XC9285系列產(chan)品是(shi)TOREX電(dian)源線的(de)那款(kuan)嵌(qian)到P外圓驅動包FET和(he)N激(ji)光切(qie)割端面win7驅動FET的(de)1.0A數(shu)據同步整(zheng)流穩壓DC/DC轉成器。
XC9285外(wai)接電(dian)(dian)源相電(dian)(dian)壓(ya)就能夠(gou)在(zai) 0.8V 至 3.6V 空間天(tian)內以(yi) 0.05V 間隔距(ju)離(li)做此類設計。僅(jin)有的冗(rong)余設備是(shi)電(dian)(dian)感電(dian)(dian)磁鐵(tie)和電(dian)(dian)器(qi)皿器(qi)。
HiSAT-COT控住(zhu)公路瞬(shun)態崩(beng)潰枝術(shu)也能在裝(zhuang)載波動(dong)期間里將主機(ji)電(dian)源電(dian)壓值降回至(zhi)少,很(hen)大適用于FPGA與必須(xu) 電(dian)原電(dian)阻安全性(xing)的(de)設備等瞬(shun)時額定(ding)負載變遷很(hen)高(gao)(gao)的(de)高(gao)(gao)技術(shu)。
跟據(ju)使用,就(jiu)能夠在(zai) SOT-25 和 USP-6C 各寫擇芯(xin)片封裝模(mo)式。

特色
設(she)置線電壓:2.5V ~ 5.5V
電電流比率:0.8V~ 3.6V (±2.0%)
輸送工(gong)作電流:1.0A
頻帶寬(kuan)度超范圍:1.2MHz
提高(gao)熱(re)效率(lv)(lv)率(lv)(lv):92%
直(zhi)流電壓(ya)不(bu)足:15μA
調整形式:HiSAT-COT設(she)定
保養設施:熱關停
基本功能:軟再啟動
手機輸入輸出的電容器(qi)(電容器(qi)器(qi)):兼容瓷器(qi)電容器(qi)(電容器(qi)器(qi))
事業的環(huan)境(jing)溫差:-40℃ ~ 105℃
珠海市立維創展(zhan)科技(ji)發(fa)展(zhan)有限制司(si)其優勢包銷(xiao)TOREX主機電(dian)源(yuan)集(ji)成(cheng)電(dian)路芯片,大規模現貨平臺貨存,熱(re)情接待諮詢(xun)。
技術參數 | 類別 | 輸出的的電壓 | 工作中頻帶寬度 | 封裝形式 |
| XC9285A08CMR-G | 無(wu)(wu)CL蓄電池放電,無(wu)(wu)出(chu)現短路呵護 | 0.8V | 1.2MHz | SOT-25 |
| XC9285A0LCMR-G | 無(wu)CL尖(jian)端放(fang)電,無(wu)擊穿守(shou)護 | 0.85V | 1.2MHz | SOT-25 |
| XC9285A09CMR-G | 無CL電池充電,無虛接守(shou)護 | 0.9V | 1.2MHz | SOT-25 |
| XC9285A0MCMR-G | 無CL蓄(xu)電(dian)池(chi)充電(dian),無過(guo)壓保護的(de) | 0.95V | 1.2MHz | SOT-25 |
| XC9285A10CMR-G | 無(wu)CL充放,無(wu)虛接保證 | 1V | 1.2MHz | SOT-25 |
| XC9285A1ACMR-G | 無CL尖端放電,無發生故障保護措施 | 1.05V | 1.2MHz | SOT-25 |
| XC9285A11CMR-G | 無(wu)CL發出(chu)電,無(wu)發生故障保護英文 | 1.1V | 1.2MHz | SOT-25 |
| XC9285A1BCMR-G | 無CL發出電,無短路等問題保證 | 1.15V | 1.2MHz | SOT-25 |
| XC9285A12CMR-G | 無(wu)CL尖端放電,無(wu)斷路保護的 | 1.2V | 1.2MHz | SOT-25 |
| XC9285A1CCMR-G | 無CL釋放(fang)電能,無短路故障守(shou)護 | 1.25V | 1.2MHz | SOT-25 |
| XC9285A13CMR-G | 無CL擊(ji)穿(chuan),無不(bu)導通保護好 | 1.3V | 1.2MHz | SOT-25 |
| XC9285A1DCMR-G | 無CL電(dian)池充電(dian),無擊穿(chuan)保障 | 1.35V | 1.2MHz | SOT-25 |
| XC9285A14CMR-G | 無CL釋放,無串電確保 | 1.4V | 1.2MHz | SOT-25 |
| XC9285A1ECMR-G | 無(wu)CL蓄(xu)電池(chi)充(chong)電,無(wu)短路故障養護 | 1.45V | 1.2MHz | SOT-25 |
| XC9285A15CMR-G | 無CL電流(liu),無出現短(duan)路(lu)保護好 | 1.5V | 1.2MHz | SOT-25 |
| XC9285A1FCMR-G | 無CL電(dian)(dian)池充電(dian)(dian),無燒壞保護(hu) | 1.55V | 1.2MHz | SOT-25 |
| XC9285A16CMR-G | 無(wu)CL充放(fang),無(wu)過壓保證 | 1.6V | 1.2MHz | SOT-25 |
| XC9285A1HCMR-G | 無CL蓄電池放(fang)電,無短路(lu)等問(wen)題守護 | 1.65V | 1.2MHz | SOT-25 |
| XC9285A17CMR-G | 無CL尖(jian)端(duan)放電(dian),無過壓(ya)庇護 | 1.7V | 1.2MHz | SOT-25 |
| XC9285A1KCMR-G | 無CL擊穿,無短路故(gu)障(zhang)呵護 | 1.75V | 1.2MHz | SOT-25 |
| XC9285A1LCMR-G | 無CL蓄電(dian)池放電(dian),無短路等問(wen)題保(bao)護性(xing) | 1.85V | 1.2MHz | SOT-25 |
| XC9285A19CMR-G | 無(wu)CL充放,無(wu)發生故(gu)障保障 | 1.9V | 1.2MHz | SOT-25 |
| XC9285A1MCMR-G | 無CL尖端放電,無漏電保護(hu)區 | 1.95V | 1.2MHz | SOT-25 |
| XC9285A20CMR-G | 無(wu)CL電池(chi)充電,無(wu)燒壞保護區(qu) | 2V | 1.2MHz | SOT-25 |