產業快訊
披露時期:2024-08-15 09:14:48 瀏覽(lan)記錄:6079

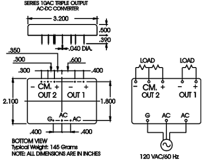
10AC12T5是一款三路輸出的AC-DC電源模塊,由PICO公(gong)司生產。這(zhe)款電源模塊具(ju)有(you)以下(xia)特點和技術參數(shu):
1. 輸入電壓范圍:
90-130VAC (47-440Hz) 待選:170-240VAC (47-440Hz)2. 環境條件:
寬的工作溫暖范圍內:-55°C至+85°C 路過高超低溫及損壞自測:-55°C至+125°C3. 型號與規格:
規格型號:10AC12T5 主內容輸出電阻值:5 VDC 大根據交流電:1400 mA 明顯輸送電功率:7 W 交流電壓電動機扭矩電阻自動調節區間:25%-100%電動機扭矩電阻,±0.5% 轉換輸出功率紋波(1.1 MHz資源帶寬下):50 mV峰谷值4. 輔助輸出電壓和電流:
引導打出電阻值1:±12 VDC 最高裝載電壓電流1:125 mA 大輸出精度公率1:1.5W 打出工作電壓紋波1(1.1 MHz上行寬帶下):50 mV峰最高值 輔佐效果端電壓2:±12 VDC 上限額定負載瞬時電流2:50 mA 最明顯讀取電率2:1.2W 內容輸出直流電壓紋波2(1.1 MHz帶寬起步下):50 mV峰頂值5. 效率:
在載滿情況發生下,效果為77% 此電源適配器接口符合于刻薄的航空航天軍工標準化及航空航天應用領域,可在嚴謹生態下能信作業。護膚品基本特征比如寬輸進直流電壓降范圍圖、穩定性高的輸入直流電壓降、低紋波背景噪聲及高能力的率。深圳市立維創展科技是PICO單位(wei)的代(dai)銷(xiao)商。出示原產PICO開(kai)關外(wai)接(jie)電(dian)(dian)(dian)(dian)源(yuan)功能(neng)(neng)功能(neng)(neng)方案、警用開(kai)關外(wai)接(jie)電(dian)(dian)(dian)(dian)源(yuan)功能(neng)(neng)功能(neng)(neng)方案、高電(dian)(dian)(dian)(dian)壓開(kai)關外(wai)接(jie)電(dian)(dian)(dian)(dian)源(yuan)功能(neng)(neng)功能(neng)(neng)方案、中型(xing)電(dian)(dian)(dian)(dian)壓器(qi)(qi)(qi)、MIL-PRF-21038/27金橋銅(tong)業(ye)跨接(jie)線(xian)的截面(mian)積大小電(dian)(dian)(dian)(dian)抗(kang)器(qi)(qi)(qi)、激(ji)光脈沖電(dian)(dian)(dian)(dian)抗(kang)器(qi)(qi)(qi)、400 MHz供(gong)(gong)電(dian)(dian)(dian)(dian)電(dian)(dian)(dian)(dian)抗(kang)器(qi)(qi)(qi)、MIL-STD-1553端口配(pei)(pei)電(dian)(dian)(dian)(dian)電(dian)(dian)(dian)(dian)壓器(qi)(qi)(qi)、音頻配(pei)(pei)電(dian)(dian)(dian)(dian)電(dian)(dian)(dian)(dian)壓器(qi)(qi)(qi)、輸出工作電(dian)(dian)(dian)(dian)壓電(dian)(dian)(dian)(dian)感、微信輸出工作電(dian)(dian)(dian)(dian)壓電(dian)(dian)(dian)(dian)感、EMI電(dian)(dian)(dian)(dian)感、薄DC-電(dian)(dian)(dian)(dian)流(liu)交(jiao)流(liu)電(dian)(dian)(dian)(dian)源(yuan)傳感器(qi)(qi)(qi)、軍工DC-DC供(gong)(gong)電(dian)(dian)(dian)(dian)功能(neng)(neng)模塊(kuai)(kuai)、磚塊(kuai)(kuai)DC-DC交(jiao)流(liu)電(dian)(dian)(dian)(dian)源(yuan)功能(neng)(neng)模塊(kuai)(kuai)、進行高壓DC-DC、AC-DC供(gong)(gong)電(dian)(dian)(dian)(dian)版塊(kuai)(kuai)、觸點開(kai)關直流(liu)電(dian)(dian)(dian)(dian)供(gong)(gong)電(dian)(dian)(dian)(dian)版塊(kuai)(kuai)、丟(diu)開(kai)供(gong)(gong)電(dian)(dian)(dian)(dian)版塊(kuai)(kuai)、飛機維修供(gong)(gong)電(dian)(dian)(dian)(dian)版塊(kuai)(kuai)等(deng)功效供(gong)(gong)電(dian)(dian)(dian)(dian)版塊(kuai)(kuai)和瓦(wa)數改換器(qi)(qi)(qi)。原版車輛進口,線(xian)質量保持,歡迎會(hui)諮詢。