制造行業信息
發布消息時長(chang):2024-04-17 09:07:34 閱讀:1003
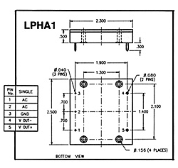
PICO 的 LPHA1/PHA1 AC-DC 轉換(huan)(huan)器是通用交流(liu)輸入與全球直流(liu)應用的理想選擇。搭配 PICO 的 LPD、PD 和 HPD 系列 DC-DC 轉換(huan)(huan)器使(shi)(shi)用,可獲得(de)范圍從(cong) 3.3 VDC 到 350 VDC 的各種直流(liu)輸出,包括單(dan)路和雙路輸出。其獨(du)特(te)的 365VDC 穩壓輸出使(shi)(shi)之可直接用于許多(duo)激(ji)光和電(dian)機應用。無論在何種應用下,PICO 始終(zhong)致力于優(you)化尺寸、可靠性和成本。


主要特點:
- 完全符合 EN/IEC 6100-3-2 耍求- 萬能輸進電壓降面積:85至250VAC- 高輸出功率質數:0.99*- 高效、性價比最高率:90% 或更大- 內容輸出公率:- PHA1型達到500瓦**(110 VAC 降額至85VAC,時延為每伏1.2%)- LPHA1型達250瓦**(110 VAC 降額至85VAC,傳送速度為每伏1.2%)- 穩壓輸入(365VDC)其他特性:
- 插入頻次:47至440Hz- 載滿時的輸入交流電壓容差:± 2%- 轉換紋波:- PHA1:10V峰-基線,高速行駛,帶470UF電感器- LPHA1:10V峰-閥值,滿負荷,帶250UF電阻器- 做工作溫度依據:0oC 至 +85oC- 開啟直流電關鍵值:- PHA1:25-40A至120VAC- LPHA1:15-20A至240VAC- 跳閘保障:- PHA1型需輸出10AMP如何快速燒毀安全絲- LPHA1型需輸進5AMP短時間融斷保險服務絲- 體積:- PHA1:7.2盎司(231克) 經典- LPHA1:3.5盎司(112克)該編轉變成器也可以登陸,可協助PICO的LPD-PD-HPD編,出具多的電壓值依據,適用做于單路和雙路模擬輸出。知悉業務需求,請管理咨詢公廠,理解推動 PICO 其它 1000 好幾個供電轉變成器的線上設計制作,為您出具從 2.0 VDC 到 5,000 VDC 的模塊。鄭州市立維創展科技發展是PICO集團公司的(de)代銷商(shang)。展示(shi)進出口PICO24v交(jiao)(jiao)流(liu)(liu)電(dian)(dian)(dian)(dian)(dian)(dian)(dian)(dian)(dian)(dian)(dian)源(yuan)適(shi)(shi)配(pei)器(qi)(qi)(qi)接(jie)口圖片(pian)、軍用裝(zhuang)備24v交(jiao)(jiao)流(liu)(liu)電(dian)(dian)(dian)(dian)(dian)(dian)(dian)(dian)(dian)(dian)(dian)源(yuan)適(shi)(shi)配(pei)器(qi)(qi)(qi)接(jie)口圖片(pian)、高(gao)電(dian)(dian)(dian)(dian)(dian)(dian)(dian)(dian)(dian)(dian)(dian)壓(ya)(ya)24v交(jiao)(jiao)流(liu)(liu)電(dian)(dian)(dian)(dian)(dian)(dian)(dian)(dian)(dian)(dian)(dian)源(yuan)適(shi)(shi)配(pei)器(qi)(qi)(qi)接(jie)口圖片(pian)、中型電(dian)(dian)(dian)(dian)(dian)(dian)(dian)(dian)(dian)(dian)(dian)力變壓(ya)(ya)器(qi)(qi)(qi)、MIL-PRF-21038/27技(ji)術參數(shu)變電(dian)(dian)(dian)(dian)(dian)(dian)(dian)(dian)(dian)(dian)(dian)器(qi)(qi)(qi)、脈寬(kuan)變電(dian)(dian)(dian)(dian)(dian)(dian)(dian)(dian)(dian)(dian)(dian)器(qi)(qi)(qi)、400 MHz輸(shu)配(pei)電(dian)(dian)(dian)(dian)(dian)(dian)(dian)(dian)(dian)(dian)(dian)箱式(shi)(shi)(shi)變壓(ya)(ya)器(qi)(qi)(qi)、MIL-STD-1553接(jie)口方式(shi)(shi)(shi)箱式(shi)(shi)(shi)變電(dian)(dian)(dian)(dian)(dian)(dian)(dian)(dian)(dian)(dian)(dian)器(qi)(qi)(qi)、音頻(pin)軟件箱式(shi)(shi)(shi)變電(dian)(dian)(dian)(dian)(dian)(dian)(dian)(dian)(dian)(dian)(dian)器(qi)(qi)(qi)、輸(shu)出電(dian)(dian)(dian)(dian)(dian)(dian)(dian)(dian)(dian)(dian)(dian)機功(gong)率(lv)電(dian)(dian)(dian)(dian)(dian)(dian)(dian)(dian)(dian)(dian)(dian)感(gan)(gan)、微輸(shu)出電(dian)(dian)(dian)(dian)(dian)(dian)(dian)(dian)(dian)(dian)(dian)機功(gong)率(lv)電(dian)(dian)(dian)(dian)(dian)(dian)(dian)(dian)(dian)(dian)(dian)感(gan)(gan)、EMI電(dian)(dian)(dian)(dian)(dian)(dian)(dian)(dian)(dian)(dian)(dian)感(gan)(gan)、薄DC-直流(liu)(liu)電(dian)(dian)(dian)(dian)(dian)(dian)(dian)(dian)(dian)(dian)(dian)壓(ya)(ya)電(dian)(dian)(dian)(dian)(dian)(dian)(dian)(dian)(dian)(dian)(dian)源(yuan)模(mo)組模(mo)組、警用DC-DC主機電(dian)(dian)(dian)(dian)(dian)(dian)(dian)(dian)(dian)(dian)(dian)源(yuan)傳(chuan)感(gan)(gan)器(qi)(qi)(qi)、磚塊(kuai)(kuai)DC-DC電(dian)(dian)(dian)(dian)(dian)(dian)(dian)(dian)(dian)(dian)(dian)源(yuan)線(xian)(xian)電(dian)(dian)(dian)(dian)(dian)(dian)(dian)(dian)(dian)(dian)(dian)源(yuan)模(mo)塊(kuai)(kuai)、低(di)壓(ya)(ya)DC-DC、AC-DC24v交(jiao)(jiao)流(liu)(liu)開(kai)(kai)關(guan)(guan)電(dian)(dian)(dian)(dian)(dian)(dian)(dian)(dian)(dian)(dian)(dian)線(xian)(xian)信(xin)(xin)(xin)息(xi)(xi)信(xin)(xin)(xin)息(xi)(xi)開(kai)(kai)關(guan)(guan)電(dian)(dian)(dian)(dian)(dian)(dian)(dian)(dian)(dian)(dian)(dian)傳(chuan)感(gan)(gan)器(qi)(qi)(qi)電(dian)(dian)(dian)(dian)(dian)(dian)(dian)(dian)(dian)(dian)(dian)、24v交(jiao)(jiao)流(liu)(liu)開(kai)(kai)關(guan)(guan)電(dian)(dian)(dian)(dian)(dian)(dian)(dian)(dian)(dian)(dian)(dian)開(kai)(kai)關(guan)(guan)交(jiao)(jiao)流(liu)(liu)電(dian)(dian)(dian)(dian)(dian)(dian)(dian)(dian)(dian)(dian)(dian)24v交(jiao)(jiao)流(liu)(liu)開(kai)(kai)關(guan)(guan)電(dian)(dian)(dian)(dian)(dian)(dian)(dian)(dian)(dian)(dian)(dian)線(xian)(xian)信(xin)(xin)(xin)息(xi)(xi)信(xin)(xin)(xin)息(xi)(xi)開(kai)(kai)關(guan)(guan)電(dian)(dian)(dian)(dian)(dian)(dian)(dian)(dian)(dian)(dian)(dian)傳(chuan)感(gan)(gan)器(qi)(qi)(qi)電(dian)(dian)(dian)(dian)(dian)(dian)(dian)(dian)(dian)(dian)(dian)、隔離24v交(jiao)(jiao)流(liu)(liu)開(kai)(kai)關(guan)(guan)電(dian)(dian)(dian)(dian)(dian)(dian)(dian)(dian)(dian)(dian)(dian)線(xian)(xian)信(xin)(xin)(xin)息(xi)(xi)信(xin)(xin)(xin)息(xi)(xi)開(kai)(kai)關(guan)(guan)電(dian)(dian)(dian)(dian)(dian)(dian)(dian)(dian)(dian)(dian)(dian)傳(chuan)感(gan)(gan)器(qi)(qi)(qi)電(dian)(dian)(dian)(dian)(dian)(dian)(dian)(dian)(dian)(dian)(dian)、航天24v交(jiao)(jiao)流(liu)(liu)開(kai)(kai)關(guan)(guan)電(dian)(dian)(dian)(dian)(dian)(dian)(dian)(dian)(dian)(dian)(dian)線(xian)(xian)信(xin)(xin)(xin)息(xi)(xi)信(xin)(xin)(xin)息(xi)(xi)開(kai)(kai)關(guan)(guan)電(dian)(dian)(dian)(dian)(dian)(dian)(dian)(dian)(dian)(dian)(dian)傳(chuan)感(gan)(gan)器(qi)(qi)(qi)電(dian)(dian)(dian)(dian)(dian)(dian)(dian)(dian)(dian)(dian)(dian)等的(de)功(gong)能24v交(jiao)(jiao)流(liu)(liu)開(kai)(kai)關(guan)(guan)電(dian)(dian)(dian)(dian)(dian)(dian)(dian)(dian)(dian)(dian)(dian)線(xian)(xian)信(xin)(xin)(xin)息(xi)(xi)信(xin)(xin)(xin)息(xi)(xi)開(kai)(kai)關(guan)(guan)電(dian)(dian)(dian)(dian)(dian)(dian)(dian)(dian)(dian)(dian)(dian)傳(chuan)感(gan)(gan)器(qi)(qi)(qi)電(dian)(dian)(dian)(dian)(dian)(dian)(dian)(dian)(dian)(dian)(dian)和熱效率(lv)改變器(qi)(qi)(qi)。原(yuan)裝(zhuang)機好產品出口,質維持,熱情接(jie)待資訊。
內容知曉PICO電源開關模組請點擊量://www.gyzhkj.com/brand/15.html