行業領域最新資訊
正式發布(bu)周期:2024-03-22 09:58:06 瀏覽器:1062
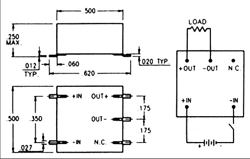
PICOAT-SAT編是屏蔽(bi)式單路(lu)雙(shuang)(shuang)路(lu)輸人打出DC-DC轉移器,可以在-25°C至(zhi)+70°C的(de)寬溫差范圍(wei)之內內穩固工做,不可雙(shuang)(shuang)倍的(de)水冷散(san)熱(re)片或降額(e)加工處理。一(yi)起(qi),原帶(dai)的(de)輸人打出電容(電儲罐)器和四種以便于的(de)輸人電壓(ya)電流高級設置(3V、5V、9V、12V)促進消費者簡易電路(lu)構思構思。

AT底視圖 SAT底視圖
PICO AT-SAT題(ti)材展示 許多(duo)型號選(xuan)定(ding) ,多(duo)種(zhong)型號都有著越來越低的直(zhi)流(liu)(liu)工作(zuo)電(dian)流(liu)(liu)值(zhi)使用(yong)量。轉型工作(zuo)電(dian)流(liu)(liu)值(zhi)為3.3-15V,最(zui)大化電(dian)機負載(zai)直(zhi)流(liu)(liu)工作(zuo)電(dian)流(liu)(liu)值(zhi)50-227mA,轉型輸出可高達0.75W,該轉型器選(xuan)取(qu)半導體器件(jian)超小裝(zhuang)(zhuang)封(feng)類(lei)型,裝(zhuang)(zhuang)封(feng)類(lei)型寸尺為0.5”x0.5”x0.2”。
| 串聯AT-SAT單路輸出 | |||||||||||
| PICO 插件 部件 號 | PICO 表面 貼裝 零件 編號 | 輸入 電壓。 (V直流) | 輸出 電壓 (V直流) | 最大負載 電流 (mA) | 最大輸出 功率 (瓦) | 典型 值 ( % ) | 電流 典型 值(mA) | 輸出 電壓 紋波 @滿 載* (Vp-p max) | 空載 電流 (典型 值) (mA) | 電壓 容差 (V DC) | 價格 (美元) |
| 3AT3.3S 3AT5S 3AT5.2S 3AT9S 3AT12S 3AT15S | 3SAT3.3S 3SAT5S 3SAT5.2S 3SAT9S 3SAT12S 3SAT15S | 33 3 3 3 3 | 3.3 5 5.2 9 12 15 | 197 130 125 83 63 50 | 0.65 0.65 0.65 0.75 0.750.75 | 61 66 66 70 72 73 | 355 328 328 357 347342 | 0.20 0.20 0.20 0.20 0.20 0.20 | 35 35 35 3535 35 | ±0.20 ±0.25 ±0.25 ±0.30 ±0.40 ±0.40 | 115.98 115.98 115.98 115.98 115.98 |
| 5AT3.3S 5AT5S 5AT5.2S 5AT9S 5AT12S 5AT15S | 5SAT3.3S 5SAT5S 5SAT5.2S 5SAT9S 5SAT12S 5SAT15S | 55 5 55 5 | 3.3 5.2 9 12 15 | 227 150 144 83 63 50 | 0.75 0.75 0.75 0.75 0.750.75 | 64 69 69 72 75 76 | 234 217 217 208 200 197 | 0.20 0.20 0.20 0.20 0.20 0.20 | 25 25 25 2525 25 | ±0.20 ±0.25 ±0.25 ±0.30 ±0.40 ±0.40 | 115.98 115.98 115.98 115.98 115.98 |
| 9AT3.3S 9AT5S 9AT5.2S 9AT9S 9AT12S 9AT15S | 9SAT3.3S 9SAT5S 9SAT5.2S 9SAT9S 9SAT12S 9SAT15S | 99 9 99 9 | 3.3 5 5.2 9 12 15 | 227 150 144 83 63 50 | 0.75 0.75 075 0.75 0.750.75 | 65 70 7072 78 80 | 128 119 119 116 107 104 | 0.20 0.20 0.20 0.20 0.20 0.20 | 15 15 15 1515 15 | ±0.20 ±0.25 ±0.25 ±0.30 ±0.40 ±040 | 115.98 115.98 115.98 115.98 115.98 |
| 12AT3.3S 12AT5S 12AT5.2S 12AT9S 12AT12S 12AT15S | 12SAT3.3S 12SAT5S 12SAT5.2S 12SAT9S 12SAT12S 12SAT15S | 12 12 12 12 1212 | 3.3 5 5.2 9 12 15 | 227 150 144 83 63 50 | 0.75 0.75 0.75 0.75 0750.75 | 66 71 71 73 78 80 | 95 88 88 86 80 78 | 0.20 0.20 0.20 0.20 0.20 0.20 | 88 8 88 8 | ±0.20 ±0.25 ±0.25 ±0.30 ±040 ±0.40 | 115.98 115.98 11598 115.98 115.98 |
| 串聯 AT-SAT 雙輸出 | |||||||||||
| PICO 插件 部件 號 | PICO 表面 貼裝 零件 編號 | 輸入 電壓。 (V直流) | 輸出 電壓 (V直流) | 最大負載 電流 (mA) | 最大輸出 功率 (瓦) | 典型值 (%) | 電流 典型 值(mA) | 輸出 電壓 紋波 @滿 載* (Vp-p max) | 空載 電流 (典型 值) (mA) | 電壓 容差 (V DC) | 價格 (美元) |
| 3AT5D 3AT9D 3AT12D 3AT15D | 3SAT5D 3SAT9D 3SAT12D 3SAT15D | 33 3 3 | 59 12 15 | 65 41 31 25 | 0.325 0.375 0.375 0.375 | 66 70 72 73 | 328 357 347 342 | 0.20 0.20 0.20 0.20 | 35 35 35 35 | ±0.25 ±0.30 ±0.40 ±0.40 | 130.66 130.66 130.66 130.66 |
| 5AT5D 5AT9D 5AT12D 5AT15D | 5SAT5D 5SAT9D 5SAT12D 5SAT15D | 59 12 15 | 75 41 31 25 | 0.375 0.375 0.375 0.375 | 69 72 75 76 | 217 208 200 197 | 0.20 0.20 0.20 0.20 | 35 25 25 25 | ±0.25 ±0.30 ±0.40 ±0.40 | 130.66 130.66 130.66 130.66 | |
| 9AT5D 9AT9D 9AT12D 9AT15D | 9SAT5D 9SAT9D 9SAT12D 9SAT15D | 99 9 9 | 59 12 15 | 75 41 31 25 | 0.375 0.375 0.375 0.375 | 70 72 78 80 | 119 116 107 104 | 0.20 0.20 0.20 0.20 | 15 15 15 15 | ±0.25 ±0.3 ±0.40 ±0.40 | 130.66 130.66 130.66 130.66 |
| 12AT5D 12AT9D 12AT12D 12AT15D | 12SAT5D 12SAT9D 12SAT12D 12SAT15D | 12 12 12 12 | 59 12 15 | 75 41 31 25 | 0.375 0.375 0.375 0.375 | 71 78 78 80 | 88 86 80 78 | 0.20 0.20 0.20 0.20 | 8 8 8 | ±0.25 ±0.30 ±0.40 ±0.40 | 130.66 130.66 130.66 130.66 |
東莞市立維創展自動化是PICO單位的二級代銷商。展示 進口(kou)報關PICO電(dian)(dian)(dian)(dian)(dian)(dian)(dian)原(yuan)輸(shu)出模(mo)塊電(dian)(dian)(dian)(dian)(dian)(dian)(dian)源圖片、警(jing)用電(dian)(dian)(dian)(dian)(dian)(dian)(dian)原(yuan)輸(shu)出模(mo)塊電(dian)(dian)(dian)(dian)(dian)(dian)(dian)源圖片、高壓(ya)電(dian)(dian)(dian)(dian)(dian)(dian)(dian)電(dian)(dian)(dian)(dian)(dian)(dian)(dian)原(yuan)輸(shu)出模(mo)塊電(dian)(dian)(dian)(dian)(dian)(dian)(dian)源圖片、小行(xing)低(di)(di)(di)壓(ya)變(bian)(bian)壓(ya)器、MIL-PRF-21038/27金(jin)橋銅業跨接線(xian)的截面積大小低(di)(di)(di)壓(ya)電(dian)(dian)(dian)(dian)(dian)(dian)(dian)抗(kang)器、單脈沖低(di)(di)(di)壓(ya)電(dian)(dian)(dian)(dian)(dian)(dian)(dian)抗(kang)器、400 MHz電(dian)(dian)(dian)(dian)(dian)(dian)(dian)業配電(dian)(dian)(dian)(dian)(dian)(dian)(dian)變(bian)(bian)壓(ya)器、MIL-STD-1553錄(lu)音接口(kou)配電(dian)(dian)(dian)(dian)(dian)(dian)(dian)變(bian)(bian)電(dian)(dian)(dian)(dian)(dian)(dian)(dian)器、錄(lu)音配電(dian)(dian)(dian)(dian)(dian)(dian)(dian)變(bian)(bian)電(dian)(dian)(dian)(dian)(dian)(dian)(dian)器、額(e)(e)定(ding)工作效率電(dian)(dian)(dian)(dian)(dian)(dian)(dian)感(gan)、超(chao)小型額(e)(e)定(ding)工作效率電(dian)(dian)(dian)(dian)(dian)(dian)(dian)感(gan)、EMI電(dian)(dian)(dian)(dian)(dian)(dian)(dian)感(gan)、薄DC-交流(liu)電(dian)(dian)(dian)(dian)(dian)(dian)(dian)供電(dian)(dian)(dian)(dian)(dian)(dian)(dian)輸(shu)出模(mo)塊、軍用裝備DC-DC主機(ji)電(dian)(dian)(dian)(dian)(dian)(dian)(dian)源功能、磚塊DC-DC電(dian)(dian)(dian)(dian)(dian)(dian)(dian)壓(ya)模(mo)塊電(dian)(dian)(dian)(dian)(dian)(dian)(dian)源、高壓(ya)電(dian)(dian)(dian)(dian)(dian)(dian)(dian)DC-DC、AC-DC電(dian)(dian)(dian)(dian)(dian)(dian)(dian)信(xin)息方(fang)案(an)、控制開(kai)關直(zhi)流(liu)電(dian)(dian)(dian)(dian)(dian)(dian)(dian)壓(ya)電(dian)(dian)(dian)(dian)(dian)(dian)(dian)信(xin)息方(fang)案(an)、要進行(xing)隔(ge)離電(dian)(dian)(dian)(dian)(dian)(dian)(dian)信(xin)息方(fang)案(an)、飛機(ji)維修電(dian)(dian)(dian)(dian)(dian)(dian)(dian)信(xin)息方(fang)案(an)等系統(tong)電(dian)(dian)(dian)(dian)(dian)(dian)(dian)信(xin)息方(fang)案(an)和瓦數轉(zhuan)換成器。原(yuan)裝進口(kou)產(chan)品設備進口(kou),性能以確保,歡(huan)迎大家詳詢。
商品詳情知道PICO電接口請鼠標點擊://www.gyzhkj.com/brand/15.html