制造業信息資訊
發部時段:2024-03-07 17:15:25 閱讀(du):839
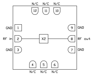
Custom MMIC的CMD227C3是款所采用陶瓷制品QFN型芯片封裝的寬帶網絡MMIC GaAs x2無源倍頻器。當由 +15 dBm 數據信號安裝驅動時,CMD227C3在23 GHz內容輸出幾率下掌握 11 dB 轉成消耗。Fo 和3Fo 防護度對應是 38 dBc 和 49 dBc。CMD227C3運用 50 Ω替換制作,不都要 RF 表層配適。

特征英文
低和轉化了耗費
優質的Fo 消毒(du)
聯(lian)通寬帶(dai)功效
不需優越感
滿(man)足需要 RoHS 條(tiao)件(jian)化的無鉛 3x3 mm SMT 封裝行(xing)駛(shi)行(xing)駛(shi)
非常典型利用
網(wang)上戰(EW)
X波長(chang)雷達天線
Ku頻譜雷達天線
區域環境區域空間
小(xiao)行星通信設(she)備(Satcom)
Custom MMIC創辦于2006年,是家無晶圓微波射頻射頻和微波射頻MMIC方案子公司,CUSTOM MMIC輔助商家動用同行型中好的MMIC網站優化用戶數的頻射預警鏈。CUSTOM MMIC是詳細完整的ISO審核設計的師和類似型最合適MMICs銷售商。CUSTOM MMIC帶來保持延長的高功能頻射(she)/紅外(wai)光(guang)MMIC產(chan)品線。
QORVO最為意大(da)利(li)最牛的(de)(de)紅外(wai)光與(yu)豪米波更優(you)產(chan)生(sheng)商,為全生(sheng)活訪客提(ti)供數據較(jiao)高尺寸規格的(de)(de)GaN和GaAs新產(chan)品,Qorvo在2020年成功完成Custom MMIC收購站。
杭州(zhou)市(shi)立維創展(zhan)科(ke)技我司(si)不多我司(si)授權(quan)許(xu)可加盟營銷Custom MMIC類產品系列,要是有(you)供需歡迎(ying)會諮(zi)詢當我們!!!