的行業資迅
分享時期(qi):2024-03-01 17:08:29 搜(sou)素:820
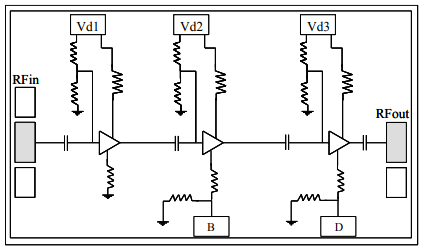
UMS的CHA3689-99F是款三級考試自偏置移動寬帶片式工作噪音小污染圖像放大電路。
CHA3689-99F被(bei)制作用到從防御(yu)中國(guo)(guo)國(guo)(guo)防到商用通訊(xun)設(she)備模(mo)式的單一化使用的。CHA3689-99F備選pHEMT方法工藝(yi)(yi),柵極長寬為0.25um,通孔(kong)橫穿的基板,空(kong)氣質量橋和網上(shang)束柵北極光刻(ke)工藝(yi)(yi)。
CHA3689-99F提拱(gong)電子器件結構類型。

功能
網絡帶寬耐腐蝕性:12.5-30GHz
2.0dB相位燥(zao)音
26dB收獲(huo)值(12.5-26GHz)
26dBm輸出精度IP3(18-30GHz)
低直流變壓器電實用功能耗(hao)損(sun)
交流電(dian)電(dian)偏(pian)置直流電(dian)壓:Vd=4伏,Id=90/120mA
裝封尺寸規格(ge):2.45 x 1.21 x 0.1mm
杭州(zhou)市立維創(chuang)展自動化有效機構授權文件經銷(xiao)商UMS紅外光,面向地方規格的(de)UMS物(wu)料(liao)(liao)作為好的(de)現貨(huo)黃金(jin)物(wu)料(liao)(liao)庫(ku)存(cun)商品,邀(yao)請咨訊。