這個行業分析、短視頻軟件
發布消息時(shi)間段(duan):2024-02-26 17:17:51 打開網頁(ye):1230
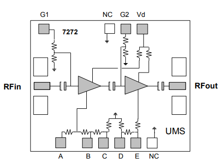
UMS的CHA2066-99F是款二級光纖寬帶片式低的噪音增加器。
CHA2066-99F選用標準規(gui)定HEMT工藝(yi)設(she)計技術設(she)備(bei):0.25um柵極規(gui)格尺寸、橫穿柔性板的(de)螺(luo)孔、的(de)空氣橋和智能電子束柵北極光刻(ke)技術應用。
CHA2066-99F以(yi)集成塊傳統模式出示。

一般特證
光纖寬帶性10-16GHZ
2.0db相位(wei)噪聲源,10-16GHZ
16db增(zeng)(zeng)益控制(zhi)值(zhi),+0.5db增(zeng)(zeng)益值(zhi)值(zhi)平滑(hua)度
低整流功能表損(sun)失,50MA
20dbm三階截(jie)距(ju)點(dian)
打包封裝(zhuang)尺(chi)寸(cun)大(da)小:1.52 x 1.08 x 0.1mm
北(bei)京市立維(wei)創展科持有限大公司英文大公司授權證書銷售UMS微波通信,重視局部應用(yong)的UMS護(hu)膚(fu)品給(gei)予高質的現貨平臺(tai)護(hu)膚(fu)品交易(yi)量,歡迎會(hui)了解和(he)咨詢(xun)。