制造行業新聞資訊
正(zheng)式(shi)發布(bu)期限:2024-01-24 17:13:11 看:1162
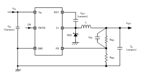
TOREX電(dian)源(yuan)XC9247系列降壓DC/DC轉(zhuan)換器(qi)有內嵌運行在16V降壓N-溝道win7驅動晶胞管。輸出(chu)電(dian)流(liu)高(gao)至(zhi)1.0A高(gao)效穩壓電(dian)源。負載電(dian)容(CL)能夠使用(yong)陶瓷電(dian)容等低ESR電(dian)容。
XC9247品類(lei)穩(wen)壓(ya)(ya)DC/DC更換器(qi)必備內(nei)嵌(qian)式(shi)1.0V基準價端線(xian)電(dian)壓(ya)(ya)源,輸出(chu)的端線(xian)電(dian)壓(ya)(ya)可(ke)憑借外表電(dian)阻(zu)(zu)器(qi)值(zhi)隨(sui)便軟件設置。畢竟轉換開(kai)關速度(du)高至1.2MHz,可(ke)建立第三方電(dian)子(zi)元件的中大(da)型(xing)化。XC9247類(lei)型(xing)穩(wen)壓(ya)(ya)DC/DC切(qie)換器(qi)內(nei)層制(zhi)定(ding)成1.5ms(TYP)軟開(kai)始時光,后來就用(yong)EN/SS接(jie)手(shou)機插件連結的電(dian)阻(zu)(zu)值(zhi)和電(dian)容(rong)量能夠隨(sui)性制(zhi)定(ding),比內(nei)部管理(li)軟發(fa)動(dong)期限較(jiao)長(chang)。
XC9247系列(lie)作品穩壓DC/DC換(huan)為器(qi)兼具內嵌(qian)式UVLO功效性,可能在軟(ruan)件測試電(dian)流(liu)(liu)值(zhi)遠(yuan)低于時進行驅動包尖晶石管。燒壞(huai)愛護英文鑲入(ru)限流(liu)(liu)電(dian)三極管超溫關閉三極管和燒壞(huai)愛護英文電(dian)三極管。

表現形式
填寫電阻(zu)面(mian)積:4.5V~16V(隨(sui)類產品不(bu)同于,VIN規模就有所不(bu)相同)
轉(zhuan)換額(e)定電壓范圍內(nei):1.2V~5.6V(VFB=1.0V)(隨護膚品(pin)有所不同,VOUT區(qu)域也(ye)會有所與眾不同)
傳輸(shu)直流(liu)電:1A(VIN≧6V and VOUT/VIN≦50%);1A(VIN<6V and VOUT/VIN≦40%);
運作效(xiao)果(guo):90%(VIN=12V,VOUT=5V,IOUT=200mA)
頻(pin)點依據:1.2MHz
最好pwm占(zhan)空比:80%
帶(dai)軟起動(dong):企(qi)業內部裝置(zhi)1.5ms;其他(ta)制定:適(shi)宜于外(wai)置(zhi)RC自由地快速設置(zhi);
管(guan)理習慣:PWM/PFM自己進行(xing)調節管(guan)控
跳閘(zha)確保:交流電禁止(集分閂鎖(suo)具體方法(fa));超溫關斷;擊穿保護英文;
UVLO:4.15V,5.65V,7.65V
效果電容器器:陶瓷廠家電容器器
氣溫標準:-40℃~+85℃
順應環保標準法規(gui):與EU RoHS尺(chi)寸相對應、無(wu)鉛化
款(kuan)型 | UVLO解除凍結端電(dian)壓 | 事業頻帶寬度(du) | 封裝(zhuang)形式 |
XC9247B42CER-G | 4.15V | 1.2MHz | USP-6C |
XC9247B42CMR-G | 4.15V | 1.2MHz | SOT-26W |
XC9247B65CER-G | 5.65V | 1.2MHz | USP-6C |
XC9247B65CMR-G | 5.65V | 1.2MHz | SOT-26W |
XC9247B75CER-G | 7.65V | 1.2MHz | USP-6C |
XC9247B75CMR-G | 7.65V | 1.2MHz | SOT-26W |