職業快訊
頒布(bu)事件:2024-01-12 16:59:19 瀏覽訪問:1198
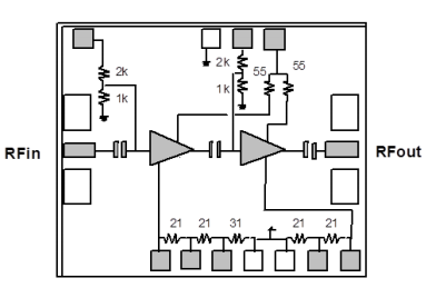
CHA2063A99F是款多級聯通寬帶片式低噪音污染變小器。
CHA2063A99F以集成ic形式(shi)供應信息。供電電源線路適(shi)用(yong)PHEMT手工(gong)制造工(gong)藝,0.25um柵極(ji)尺寸大小,橫穿柔性(xing)板的通孔,的空氣橋和電商(shang)束門光刻能力。
CHA2063A99F有集(ji)成(cheng)電路芯(xin)片(pian)的方(fang)式。

重要顯著特點
聯通寬帶(dai)性能(neng)參(can)數7-13GHZ
2.0db低頻噪音(yin)常數,8-13GHZ
19db收獲值(zhi)
低直流電(dian)源功(gong)能模塊耗損(sun)率,40MA
18dbm三階截距點
裝(zhuang)封(feng)圖片(pian)尺寸:1.52x1.27x0.1mm