餐飲行業新聞
發(fa)布的時刻:2023-11-24 17:19:34 搜索:925
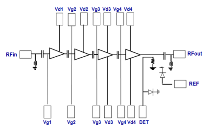
CHA6653-98F是款四個維度單支Gaas高熱效率擴大器,才能形成1.8w的傳輸效率。CHA6653-98F是間距規則化的,必備增益值操作特點,并集成化化公率檢側器。是指ESD保護措施。
CHA6653-98F專(zhuan)為聯通應用軟件需要量來(lai)設計。
CHA6653-98F應用PHEMT工藝流程工藝,柵極大小為0.15um。

大部分特證
移(yi)動寬帶功能:27-34GHZ
32dbm飽和點公率
38dbmOIP3
23db增益控制值
直流電源電偏置電流電壓:Vd=6伏ldq=0.9A
封口尺寸3.61x3.46x0.07mm