職業咨詢
推送日子:2023-11-15 17:03:45 挑選(xuan):903
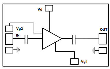
UMS的CHA3024-99F是個隨意調節收獲把控好裝置(AGC)研究背景的區域劃分式低噪音變成器,頻繁 范圍內在2到22GHZ間。
CHA3024-99F一般性采用大(da)面積的操作(zuo)中,比如(ru)光學(xue)戰、XandKu直連無線wifi安全(quan)可靠和的檢測設施。
CHA3024-99F選取0.PHEMT科技(ji),柵極參數(shu)為15um,的基板面有(you)通孔、廢氣橋(qiao)和光柵光刻技(ji)能。
CHA3024-99F以處理芯片(pian)的形(xing)式具備,顯示和輸(shu)出RF通道可(ke)不(bu)可(ke)以快(kuai)捷(jie)匹配好(hao)到50ω。

其主要的特征
帶寬耐熱(re)性:2-22GHz
舉例(li)直線增益(yi)控制值:15db
Vg2隨(sui)意(yi)調(diao)節式增益值值高至(zhi)30db
P1B:18dBm
Psat:20dbm
OIP3:30dbm
基本(ben)特征相位環境(jing)噪聲:3db
交流電(dian)電(dian)偏置(zhi)工作電(dian)壓:Vd=5Vd=100MA。Va1=-03VandVa2=1.7V
二極管(guan)封裝長寬(kuan)高:3.04x1.73x0.1mm