制造行業內容
更新的時間:2023-11-07 17:20:51 瀏覽網頁:954
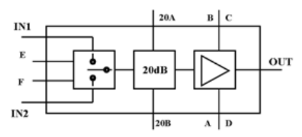
UMS的CHA3512-99F由單刀雙通(SPDT)旋轉開關、一次數字5衰減器和冷凝機組行波變小器組合而成。CHA3512-99F幫忙為中國軍事科枝軟件實際需求規劃。存儲芯片表面有紅外光微波射頻和直流電壓接地保護。這利用于系統優化拼裝過程中 。
CHA3512-99F選(xuan)擇使(shi)用PHEMT工(gong)序水平,柵極屏幕寬度匹配為(wei)0.25um,通孔(kong)擋住基鋼板,廢氣橋(qiao)和電(dian)子廠束柵神行者(zhe)刻(ke)。
CHA3512-99F具有心片形勢。

一般基本特征
特點基本參數:6-18GHZ
23dbm達到飽和狀態打印輸出效率
16db增益(yi)值值
常適用20db新動態面積的1位衰減器
直流電壓電基(ji)本功能(neng)不足:210MA@4.5V
封裝尺寸圖:4.27x2.46x0.1mm
UMS紅外光(guang)用于(yu)非洲直徑波集成(cheng)ic的(de)(de)(de)(de)代(dai)表性(xing)項(xiang)目(mu),在德和(he)英國(guo)安(an)裝有文(wen)化產業(ye)研學基地。UMS在全國(guo)位(wei)置內高端品牌軟件(jian)的(de)(de)(de)(de)市(shi)場霸(ba)占不(bu)(bu)可(ke)(ke)取代(dai)的(de)(de)(de)(de)主(zhu)導地位(wei)。UMS提供了(le)源(yuan)于(yu)ASIC或名(ming)錄廠品的(de)(de)(de)(de)總合報價(jia)表,核心依托于(yu)欧美(mei)亚洲一(yi)区(qu)(qu)-欧美(mei)激(ji)情一(yi)区(qu)(qu)-欧洲一(yi)区(qu)(qu)二(er)区(qu)(qu)-欧美(mei)激(ji)情一(yi)区(qu)(qu)二(er)区(qu)(qu)內部結構的(de)(de)(de)(de)III-V系(xi)統(tong),并帶來推(tui)進改革的(de)(de)(de)(de)合同書服務(wu)管理,使業(ye)主(zhu)可(ke)(ke)不(bu)(bu)可(ke)(ke)以(yi)隨便創建活動(dong)她的(de)(de)(de)(de)物(wu)料避免方案設(she)計。從(cong)電(dian)流電(dian)到100GHz的(de)(de)(de)(de)UMS子目(mu)錄物(wu)品均(jun)來源(yuan)于(yu)GaAs、Gan、SiGe的(de)(de)(de)(de)技術,涉及(ji)到達到了(le)200W的(de)(de)(de)(de)工率(lv)圖像運(yun)放電(dian)路、相(xiang)溶走勢性(xing)能、特低噪音圖像運(yun)放電(dian)路和(he)詳細的(de)(de)(de)(de)傳輸(shu)器控制系(xi)統(tong)。UMS產品以(yi)模(mo)具加工類型給予,但般以(yi)多電(dian)子器件(jian)信息模(mo)塊的(de)(de)(de)(de)類型封口。
廣州 市立維創(chuang)展(zhan)科枝有(you)限責任工司是UMS的進口(kou)總代理,專(zhuan)業(ye)化為無線路由溝通工程建設、航(hang)天部信號塔、民(min)防、汽車、ism等業(ye)內可以提(ti)供高靠普性rf射頻徽(hui)波豪米波元器件及模塊化集成運放。UMS類產品(pin)選取(qu)QFN和黑(hei)色防靜電鑷子包裝設計,收(shou)交(jiao)期短,價值資(zi)源優(you)勢(shi)的難忘。立維創(chuang)展(zhan)具有(you)很多類型UMS物品(pin)庫(ku)存商品(pin)。受歡迎咨詢(xun)中心。
詳細情況明白UMS請點擊率://www.gyzhkj.com/brand/36.html