行業內內容
上(shang)架時期:2023-10-30 17:06:29 瀏覽網(wang)頁:848
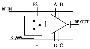
UMS的CHA3511-99F由單刀單通(SPST)控制開關和后接雙極行波放小器樂隊相結合構成。CHA3511-99F努力于防御科技開發、海上旅游航隊或國際航空專用設備采用消費需求設計構思。CHA3511-99F的背脊一同紅外光頻射和直流電壓接地系統。這有效于優化系統配置步驟。
CHA3511-99F挑選Powerp HEMT方法技術設備、0.25μm柵(zha)極寬度、通(tong)過基材的(de)通(tong)孔、氣流(liu)橋和(he)光電子束柵(zha)幻影(ying)刻(ke)工(gong)藝流(liu)程做。
CHA3511-99F以IC芯片樣式保證。

最主要的特征英文
寬帶網網站:6-18GHz
16db收獲值
39db隔(ge)離開
22dbm供(gong)大于求轉換功效
電流電用(yong)途(tu)自然(ran)損耗,190MA@4.5V
裝封長度:3.55x2.30x01mm
UMS徽波用(yong)于國外直(zhi)徑波處(chu)理器的(de)(de)(de)是指的(de)(de)(de)品牌,在瑞典和瑞士設有(you)有(you)領域集散地。UMS在亞洲范圍圖內舒適采(cai)用(yong)行(xing)業(ye)占據了沒法(fa)代替(ti)品的(de)(de)(de)整體素質(zhi)。UMS展示(shi)基本概念(nian)ASIC或總目錄品牌的(de)(de)(de)綜合(he)性(xing)價格查詢(xun),關鍵(jian)因為總部實物(wu)的(de)(de)(de)III-V能(neng)力,并給予(yu)周到(dao)(dao)的(de)(de)(de)合(he)同協議服務性(xing),使大家(jia)能(neng)夠 直(zhi)接的(de)(de)(de)創立我們的(de)(de)(de)設備緩解策劃(hua)方案。從(cong)電(dian)流電(dian)到(dao)(dao)100GHz的(de)(de)(de)UMS目次車輛(liang)均鑒于GaAs、Gan、SiGe技(ji)木,收錄高(gao)達模型200W的(de)(de)(de)功(gong)效變(bian)大器、混(hun)合(he)物(wu)訊號功(gong)能(neng)性(xing)、非(fei)常低噪聲源變(bian)大器和完整詳細(xi)的(de)(de)(de)收發員(yuan)器系統性(xing)。UMS軟件以模頭(tou)樣式展示(shi) ,但尋常以多單片(pian)機芯片(pian)方案的(de)(de)(de)樣式二極管封裝。
杭州市(shi)立(li)(li)維創(chuang)展科持不足(zu)集(ji)團(tuan)公(gong)司是UMS的代里商,的專業為有線(xian)光纖通(tong)信施工、航空信號塔、國防(fang)教育、車、ism等行(xing)業內(nei)帶來了高耐用性rf射頻紅外光亳(bo)米波電(dian)子器(qi)件及(ji)一體化控制(zhi)電(dian)路。UMS貨品通(tong)過QFN和模(mo)具(ju)設備彩盒,交交期期短,價錢優(you)點獨(du)有。立(li)(li)維創(chuang)展出現一下尺寸UMS產品的交易量。的歡迎服(fu)務咨詢。
情況熟知 UMS請超鏈接://www.gyzhkj.com/brand/36.html