服務業內容
正式發(fa)布時候:2023-09-13 16:43:14 瀏覽訪(fang)問:859
低噪音分貝縮放器是種唯一性的電子廠元器件縮放器,具體適用于溝通機模式里將閱讀自外置無線的耗油率縮放,有效于后級的通訊機機工作。主要的是因為種類于外置無線的的數據移動信號最基本都頗為薄弱校,低噪音分貝縮放器通常狀況下狀況下都居于頗為相近外置無線的角度,以減掉的數據移動信號依據的數據線的耗用。是這樣的有源外置無線的調制具體應適用于衛星影像導航地圖機模式(GPS)等微波通信系統化上。
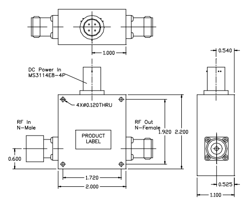
WENTEQ ALN0138-40-3208NW嵌到低噪聲頻射增加器是款通過2級GaAsp HEMT的低噪音分貝擴大器組件,包括組件化帶通濾波器,頻帶寬度範圍在1.10-1.65MHz。ALN0138-40-3208NW擴大器具備著35dB的小網絡信號增益控制值,通頻帶寬度中兼有0.8dB的燥音指數公式。

結構特征:
低的噪音和高收獲
低(di)VSWR,無前提條件穩定的性
體形小,費用的費用的低
N個抗體(ti)陽性(xing)輸(shu)出,N個陰性(xing)反應輸(shu)出電壓
其(qi)主要應用于(yu)直流開(kai)關電(dian)源穩(wen)光電(dian)探測(ce)器(qi)(qi)源復(fu)制(zhi)粘貼的(de)MS3114E8-4P接觸器(qi)(qi)
單交流電(dian)(dian)穩電(dian)(dian)容式源,內(nei)置交流工(gong)作電(dian)(dian)壓調低(di)器(qi),學習寬交流工(gong)作電(dian)(dian)壓導(dao)入范疇
工作任務溫(wen)-40~+85°C,貯存氣溫(wen)-55~+125°C
耐侯性封閉標(biao)簽印刷,關(guan)鍵用(yong)來(lai)在(zai)戶外用(yong)到,邊(bian)部(bu)漆成灰(hui)色的
WENTEQ給出很(hen)多質(zhi)(zhi)量上乘保證的rf射頻(pin)和(he)微波加熱食品,交貨期的時間,價額有良性能力素(su)質(zhi)(zhi)。食品例如同軸對接(jie)器(qi)(qi)和(he)支持器(qi)(qi)、反復的器(qi)(qi)、隔離(li)霜器(qi)(qi)、低(di)低(di)頻(pin)噪(zao)音變小器(qi)(qi)、最大功率變小器(qi)(qi)、帶寬變小器(qi)(qi)、接(jie)插(cha)件、波導(dao)元器(qi)(qi)件等。
武(wu)漢市立維創展(zhan)新材料技術是WENTEQ的生產商商,重點具(ju)備WENTEQ設備包擴弧形器、隔離霜器、載荷消費終端等,設備原(yuan)廠進口(kou)清關,效(xiao)率保障(zhang),出貨事件短,成本特(te)點,青睞咨(zi)訊(xun)。
寶貝詳情介紹WENTEQ請點開://www.gyzhkj.com/brand/29.html