行業領域資迅
公布(bu)的(de)準(zhun)確時間:2023-08-23 17:03:47 觀看:817
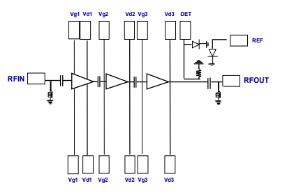
UMS的CHA6551-99F是款兩級單面GaAs高電率縮放器,就可以有1.6w的輸入公率。
CHA6551-99F具有(you)較高直線度,可(ke)實行增加收益調節,并ibms化(hua)(hua)工作電壓監測器。以及ESD庇護(hu)。CHA6551-99F專注于于大量軟件應(ying)用各(ge)種(zhong)需求制定:環境、軍事科學和二手車通訊設備系(xi)統化(hua)(hua)。
CHA6551-99F使用pHEMT流程枝術,柵(zha)極盡(jin)寸為(wei)0.15μm。

重要表現形式
帶寬耐熱性:17-24GHz
32dbm供大于求(qiu)公率
39dbmOIP3
22db增(zeng)益值值
直(zhi)流電(dian)源電(dian)偏置工作電(dian)壓:Vd=4.0伏,Id=880MA
芯片封裝外(wai)形尺寸3.60x3.46x0.07mm
UMS徽波有所作為澳(ao)大利(li)亞直徑波電源芯片的(de)代理國產品(pin)牌,在(zai)(zai)芬蘭和意大利(li)設備有品(pin)牌國防教(jiao)育基地(di)。UMS在(zai)(zai)全(quan)國超范圍內(nei)中檔(dang)應用(yong)軟件市場的(de)占用(yong)無需換用(yong)的(de)戰略地(di)位。UMS展示(shi) 針(zhen)對ASIC或文件目(mu)錄產品(pin)設備的(de)總體(ti)價目(mu),大部分源于(yu)欧美(mei)(mei)亚洲一(yi)(yi)区(qu)(qu)(qu)(qu)-欧美(mei)(mei)激情(qing)一(yi)(yi)区(qu)(qu)(qu)(qu)-欧洲一(yi)(yi)区(qu)(qu)(qu)(qu)二区(qu)(qu)(qu)(qu)-欧美(mei)(mei)激情(qing)一(yi)(yi)区(qu)(qu)(qu)(qu)二区(qu)(qu)(qu)(qu)企業內(nei)部的(de)III-V技術(shu),并提供了逐(zhu)步的(de)勞務(wu)協議護膚品(pin),使業主也(ye)可(ke)以立即(ji)組建我自己的(de)護膚品(pin)解決(jue)規劃。從整流電到100GHz的(de)UMS的(de)目(mu)錄產品(pin)的(de)均由于(yu)GaAs、Gan、SiGe枝術(shu),有超過200W的(de)效率擴大器(qi)、混(hun)數(shu)字信(xin)號功能(neng)性、超高噪音分貝擴大器(qi)和完(wan)好的(de)傳輸器(qi)體(ti)系。UMS產品(pin)的(de)以橡膠模(mo)具手段給出,但(dan)常見以多(duo)集成(cheng)電路(lu)芯片功能(neng)的(de)手段芯片封裝。
南京市立(li)維(wei)創展科技發展非常有限我(wo)司(si)是UMS的代理權商,正規為移動(dong)通(tong)信技術建設項目、航天工程基站設備、中國(guo)國(guo)防(fang)、車子、ism等互聯網(wang)行(xing)業給(gei)出高耐用性徽波(bo)射頻徽波(bo)mm毫米(mi)波(bo)配件及集成(cheng)型(xing)電線。UMS產品的用QFN和注塑模具包裝袋,交(jiao)(jiao)交(jiao)(jiao)期(qi)期(qi)短,價格多少(shao)優勢(shi)可言(yan)獨家。立(li)維(wei)創展放(fang)有一系型(xing)號規格UMS產品庫存積壓(ya)。喜愛(ai)資訊。
詳情頁明白UMS請點擊進入://www.gyzhkj.com/brand/36.html