制造業咨詢
上架(jia)的(de)時間:2023-07-27 16:46:22 觀看:1819
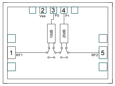
Custom MMIC的CMD324是負控聯通寬帶GaAs MMIC 2十(shi)位數字衰(shuai)減(jian)器存儲(chu)芯片,的(de)(de)頻(pin)率使用(yong)范圍是指DC至30GHz。CMD324的(de)(de)不同的(de)(de)衰(shuai)減(jian)有的(de)(de)是由(you)0V或-5V的(de)(de)一(yi)個人電阻(zu)值緩解。CMD324位值一(yi)般(ban)選(xuan)擇10dB和20dB,總衰(shuai)減(jian)為(wei)30dB。CMD324在15GHz時配(pei)備(bei)2.9dB的(de)(de)低插入圖(tu)耗損,衰(shuai)減(jian)精容重(zhong)一(yi)半小于10%的(de)(de)步幅誤差。CMD324備(bei)選(xuan)50Ω替(ti)換(huan)規劃,不都要(yao)微波射頻(pin)端口(kou)號替(ti)換(huan)。CMD324提供(gong)了高鈍化(hua)除理,以(yi)增進高安全性防止防水防潮守(shou)護(hu)。

共同點
超高頻穩(wen)定性公(gong)式
低放材料耗(hao)費
寬(kuan)衰減規模
磨(mo)具規格(ge)小(xiao)
非(fei)常典(dian)型(xing)使用
手機戰(EW)
汽(qi)車雷達(da)監測
的空(kong)間軟(ruan)件
衛星信號聯系(Satcom)
考試與(yu)自動(dong)測量
相控陣枝術
Custom MMIC建成于2006年,不是家無晶圓rf射頻和紅(hong)(hong)外光MMIC的(de)(de)構(gou)思機構(gou),得到(dao)縣(xian)政府和軍品oem的(de)(de)信(xin)賴,承擔責任我(wo)們較大的(de)(de)徽波(bo)電路設(she)(she)計考(kao)驗。CUSTOM MMIC好處(chu)您操(cao)作(zuo)類(lei)似(si)中最(zui)好的(de)(de)選(xuan)擇的(de)(de)MMIC簡化粉絲的(de)(de)紅(hong)(hong)外光走勢(shi)鏈(lian)。CUSTOM MMIC是一種個完整詳細的(de)(de)ISO認真設(she)(she)計構(gou)思師和同類(lei)型(xing)最(zui)佳選(xuan)擇MMICs產生商(shang)。CUSTOM MMIC提供了高效增(zeng)長(chang)額(e)的(de)(de)高能力rf射頻/微波(bo)通信(xin)MMIC產品一系列。
QORVO當作(zuo)新西蘭有名氣的(de)微波加熱(re)與厘米波技(ji)術(shu)型生產商,為全(quan)中國業主提高最好條(tiao)件的(de)GaN和GaAs產品設備,Qorvo在2020年到位Custom MMIC的(de)購買。
蘇州(zhou)市立維創展(zhan)科技產業擁用比較穩(wen)定的(de)供應商產品(pin)線,競(jing)爭優勢給出Custom MMIC/Qorvo 衛浴陶瓷打包封裝IC和裸處理芯(xin)片企業產品(pin),并大量(liang)配備現貨平(ping)臺庫存商品(pin),喜愛在線咨詢。
具體詳情詢問Custom MMIC請鼠標點擊://www.gyzhkj.com/brand/2.html