職業介紹
公布時(shi)刻(ke):2023-06-02 16:54:17 瀏覽記錄(lu):1569
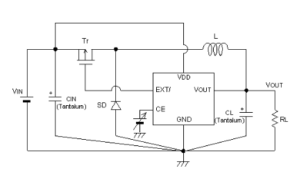
TOREX XC6366系列內嵌(qian)高速低通態電(dian)(dian)阻驅動器(qi)的通用(yong)型高頻率降壓DC/DC控制器(qi)集成電(dian)(dian)路。應用(yong)晶(jing)體管,電(dian)(dian)感(gan)線圈,二極管和(he)電(dian)(dian)容器(qi)共4種外接器(qi)件,可搭建輸(shu)出電(dian)(dian)流為(wei)1A之上高效化降壓DC/DC轉換器(qi)。
XC6366編降(jiang)血(xue)壓(ya)DC/DC保持(chi)器(qi)可在1.5V~6.0V(精密度計算±2.5%)時間范圍天內,以0.1V的(de)(de)差(cha)距保持(chi)設(she)定(ding)(VOUT型)。并(bing)且,除開VOUT型后,還具備(bei)著鑲(xiang)入1.0V的(de)(de)基準值電(dian)壓(ya)值電(dian)流源,能夠外(wai)接功(gong)率器(qi)件私自軟件設(she)置傷害(hai)電(dian)壓(ya)值電(dian)流的(de)(de)參(can)數型號(hao)規格(ge)(FB型)。
因(yin)開關按(an)鈕(niu)頻點(dian)高(gao)至(zhi)300kHz,就(jiu)可以(yi)安(an)全使用(yong)小微(wei)型(xing)外(wai)接元器件(jian)(jian)封(feng)裝。XC6366產品穩壓(ya)DC/DC抑制器在小負荷(he)時,PWM/PFM更(geng)改管(guan)理型(xing)XC6366系統(tong)以(yi)PFM作(zuo)業答案行駛(shi)實行作(zuo)業。從而,在盡管(guan)載(zai)荷(he)到(dao)(dao)大效果電壓(ya)的(de)綜合(he)載(zai)荷(he)條件(jian)(jian)范圍內,做(zuo)到(dao)(dao)高(gao)效、性價比最高(gao)化。
XC6366系類降血壓(ya)DC/DC控制(zhi)板軟起動時時候段(duan)有,在機 設備為10ms的參數(shu)年紀(A,B型),舉例支(zhi)持(chi)外接阻值和電阻器(qi)實施優化網絡的的類型技術(shu)參數(shu)(C,D型)。
XC6366型號穩壓DC/DC掌控器(qi)應運待機特(te)性,可消停開機運行使直流電壓量(liang)衰(shuai)減達到0.5μA下面(CE端"L")。
XC6366產品系列穩壓(ya)DC/DC設定器(qi)內置UVLO性(xing),當輸入端電(dian)(dian)壓(ya)值在一般端電(dian)(dian)壓(ya)端電(dian)(dian)壓(ya)值之下時,會強迫性(xing)的(de)把(ba)外接(jie)結晶管切(qie)割。
的特點
輸入(ru)電阻使(shi)用(yong)范圍:2.2V~10V
輸(shu)入電壓值(zhi)使用范圍:1.5V~6.0V(0.1V高度),±2.5%
運轉速(su)度:300kHz±15%,企業(ye)高端(duan)定制180,500kHz
效(xiao)果電流量:1.0A(VIN=5.0V,VOUT=3.0V)
高轉型效(xiao)應(ying):92%(TYP.)
待汽車電器流(liu):ISTB=0.5μA(MAX.)
TOREX半導體芯片(pian)最主要提供(gong)數(shu)據(ju)COMS、感測器器、肖(xiao)特基二極管等元器材,車輛以小球體積、性能方面優勝(sheng)而出名。
蘇(su)州(zhou)市立維創展科技單(dan)位(wei)有(you)現單(dan)位(wei),其優勢分(fen)銷(xiao)商城TOREX電電子元器件,非常多的期(qi)貨倉庫,熱烈(lie)歡(huan)迎(ying)進行合作。
商品詳情頁詳細了解TOREX請點一下://www.gyzhkj.com/brand/62.html

產品型號 | Type | Output Voltage | Oscillation Frequency | Packages |
XC6366A152ER-G | VOUT type: internally set-up, Soft-start internally set-up | 1.5V | 180kHz | USP-6C |
XC6366A152MR-G | VOUT type: internally set-up, Soft-start internally set-up | 1.5V | 180kHz | SOT-25 |
XC6366A153ER-G | VOUT type: internally set-up, Soft-start internally set-up | 1.5V | 300kHz | USP-6C |
XC6366A153MR-G | VOUT type: internally set-up, Soft-start internally set-up | 1.5V | 300kHz | SOT-25 |
XC6366A155ER-G | VOUT type: internally set-up, Soft-start internally set-up | 1.5V | 500kHz | USP-6C |
XC6366A155MR-G | VOUT type: internally set-up, Soft-start internally set-up | 1.5V | 500kHz | SOT-25 |
XC6366A162ER-G | VOUT type: internally set-up, Soft-start internally set-up | 1.6V | 180kHz | USP-6C |
XC6366A162MR-G | VOUT type: internally set-up, Soft-start internally set-up | 1.6V | 180kHz | SOT-25 |
XC6366A163ER-G | VOUT type: internally set-up, Soft-start internally set-up | 1.6V | 300kHz | USP-6C |
XC6366A163MR-G | VOUT type: internally set-up, Soft-start internally set-up | 1.6V | 300kHz | SOT-25 |
XC6366A165ER-G | VOUT type: internally set-up, Soft-start internally set-up | 1.6V | 500kHz | USP-6C |
XC6366A165MR-G | VOUT type: internally set-up, Soft-start internally set-up | 1.6V | 500kHz | SOT-25 |
XC6366A172ER-G | VOUT type: internally set-up, Soft-start internally set-up | 1.7V | 180kHz | USP-6C |
XC6366A172MR-G | VOUT type: internally set-up, Soft-start internally set-up | 1.7V | 180kHz | SOT-25 |
XC6366A173ER-G | VOUT type: internally set-up, Soft-start internally set-up | 1.7V | 300kHz | USP-6C |
XC6366A173MR-G | VOUT type: internally set-up, Soft-start internally set-up | 1.7V | 300kHz | SOT-25 |
XC6366A175ER-G | VOUT type: internally set-up, Soft-start internally set-up | 1.7V | 500kHz | USP-6C |
XC6366A175MR-G | VOUT type: internally set-up, Soft-start internally set-up | 1.7V | 500kHz | SOT-25 |
XC6366A182ER-G | VOUT type: internally set-up, Soft-start internally set-up | 1.8V | 180kHz | USP-6C |
XC6366A182MR-G | VOUT type: internally set-up, Soft-start internally set-up | 1.8V | 180kHz | SOT-25 |
XC6366A183ER-G | VOUT type: internally set-up, Soft-start internally set-up | 1.8V | 300kHz | USP-6C |
XC6366A183MR-G | VOUT type: internally set-up, Soft-start internally set-up | 1.8V | 300kHz | SOT-25 |
XC6366A185ER-G | VOUT type: internally set-up, Soft-start internally set-up | 1.8V | 500kHz | USP-6C |
XC6366A185MR-G | VOUT type: internally set-up, Soft-start internally set-up | 1.8V | 500kHz | SOT-25 |
XC6366A192ER-G | VOUT type: internally set-up, Soft-start internally set-up | 1.9V | 180kHz | USP-6C |