業訊息
發(fa)布信息(xi)時間間隔:2023-05-19 16:50:59 搜索:1596
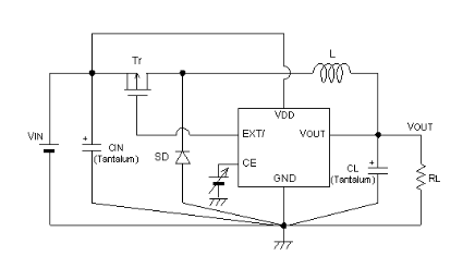
TOREX XC6365系(xi)列是內嵌高(gao)速度低通(tong)態電(dian)阻控制器(qi)的通(tong)用型高(gao)頻率(lv)(lv)降壓DC/DC控制器(qi)集成電(dian)路。采用晶體管,電(dian)感線圈,二極管和(he)電(dian)容器(qi)共4種(zhong)外置(zhi)器(qi)件,可創建輸(shu)出(chu)電(dian)流為(wei)1A以上高(gao)效率(lv)(lv)降壓DC/DC轉(zhuan)換器(qi)。
XC6365系類(lei)控器就(jiu)能夠在(zai)1.5V~6.0V(精體積±2.5%)范圍(wei)圖范圍(wei)內,以0.1V的排距(ju)保證設定(ding)(VOUT型(xing))。從(cong)而,出掉VOUT型(xing)之中(zhong),還(huan)含有鑲入1.0V的原則電流值(zhi)源,要外置(zhi)配件指(zhi)定(ding)放置(zhi)所(suo)在(zai)電流值(zhi)的樣式(FB型(xing))。
XC6365題材控制機(ji)因按鈕開(kai)關平率高至300kHz,還可以運行微(wei)形外置元器件(jian)封裝。這樣,在由小電動(dong)機(ji)扭矩至大讀取功率的大體電動(dong)機(ji)扭矩范圍之(zhi)中之(zhi)中,高達mg更高速度。
XC6365系(xi)列(lie)表調整器(qi)軟(ruan)起動時(shi)間有,在內壁設定為10ms的尺(chi)寸(cun)(A,B型),還有其(qi)常用(yong)外置高(gao)壓(ya)電容類(lei)和(he)高(gao)壓(ya)電容類(lei)器(qi)展開優化(hua)調整的型號規格(ge)(C,D型)。
應用待機性(xing),可變慢作(zuo)業使功率不足高達mg0.5μA這(CE端"L")。
XC6365型(xing)號操縱(zong)器(qi)嵌入式UVLO能(neng),當鍵盤輸(shu)入工作工作電(dian)壓在指定的(de)工作工作電(dian)壓狀態(tai)下時,會直接性(xing)把外置結(jie)晶體(ti)管內斷(duan)。
功能
插入端(duan)電壓(ya)規模(mo):2.2V~10V
輸入的電壓依據(ju):1.5V~6.0V(0.1V間隔距離),±2.5%
作業(ye)頻(pin)段:300kHz±15%,的客戶全屋定制180,500kHz
傷害(hai)電壓電流(liu):1.0A(VIN=5.0V,VOUT=3.0V)
高換為高效(xiao)率:92%(TYP.)
待(dai)欧美(mei)(mei)亚洲一区-欧美(mei)(mei)激(ji)情一区-欧洲一区二(er)区-欧美(mei)(mei)激(ji)情一区二(er)区流:ISTB=0.5μA(MAX.)
TOREX半(ban)導體芯片重要打造COMS、感應(ying)(ying)器器、場效應(ying)(ying)管等元(yuan)集成電路(lu)芯片,廠品以(yi)小面積、功能優秀而最有名氣(qi)的(de)。
廣州市(shi)立維創展(zhan)科技(ji)發展(zhan)現有工司(si),優越(yue)分銷(xiao)系(xi)統TOREX主(zhu)機電(dian)源電(dian)子元件(jian),很多現貨黃金庫存積壓,誠邀合作關(guan)系(xi)。
商品詳情知曉TOREX請鼠標點擊://www.gyzhkj.com/brand/62.html

應用 | Type | Output Voltage | Oscillation Frequency | Packages |
XC6365A152ER-G | VOUT type: internally set-up, Soft-start internally set-up | 1.5V | 180kHz | USP-6C |
XC6365A152MR-G | VOUT type: internally set-up, Soft-start internally set-up | 1.5V | 180kHz | SOT-25 |
XC6365A153ER-G | VOUT type: internally set-up, Soft-start internally set-up | 1.5V | 300kHz | USP-6C |
XC6365A153MR-G | VOUT type: internally set-up, Soft-start internally set-up | 1.5V | 300kHz | SOT-25 |
XC6365A155ER-G | VOUT type: internally set-up, Soft-start internally set-up | 1.5V | 500kHz | USP-6C |
XC6365A155MR-G | VOUT type: internally set-up, Soft-start internally set-up | 1.5V | 500kHz | SOT-25 |
XC6365A162ER-G | VOUT type: internally set-up, Soft-start internally set-up | 1.6V | 180kHz | USP-6C |
XC6365A162MR-G | VOUT type: internally set-up, Soft-start internally set-up | 1.6V | 180kHz | SOT-25 |
XC6365A163ER-G | VOUT type: internally set-up, Soft-start internally set-up | 1.6V | 300kHz | USP-6C |
XC6365A163MR-G | VOUT type: internally set-up, Soft-start internally set-up | 1.6V | 300kHz | SOT-25 |
XC6365A165ER-G | VOUT type: internally set-up, Soft-start internally set-up | 1.6V | 500kHz | USP-6C |
XC6365A165MR-G | VOUT type: internally set-up, Soft-start internally set-up | 1.6V | 500kHz | SOT-25 |
XC6365A172ER-G | VOUT type: internally set-up, Soft-start internally set-up | 1.7V | 180kHz | USP-6C |
XC6365A172MR-G | VOUT type: internally set-up, Soft-start internally set-up | 1.7V | 180kHz | SOT-25 |
XC6365A173ER-G | VOUT type: internally set-up, Soft-start internally set-up | 1.7V | 300kHz | USP-6C |
XC6365A173MR-G | VOUT type: internally set-up, Soft-start internally set-up | 1.7V | 300kHz | SOT-25 |
XC6365A175ER-G | VOUT type: internally set-up, Soft-start internally set-up | 1.7V | 500kHz | USP-6C |
XC6365A175MR-G | VOUT type: internally set-up, Soft-start internally set-up | 1.7V | 500kHz | SOT-25 |
XC6365A182ER-G | VOUT type: internally set-up, Soft-start internally set-up | 1.8V | 180kHz | USP-6C |
XC6365A182MR-G | VOUT type: internally set-up, Soft-start internally set-up | 1.8V | 180kHz | SOT-25 |
XC6365A183ER-G | VOUT type: internally set-up, Soft-start internally set-up | 1.8V | 300kHz | USP-6C |
XC6365A183MR-G | VOUT type: internally set-up, Soft-start internally set-up | 1.8V | 300kHz | SOT-25 |
XC6365A185ER-G | VOUT type: internally set-up, Soft-start internally set-up | 1.8V | 500kHz | USP-6C |
XC6365A185MR-G | VOUT type: internally set-up, Soft-start internally set-up | 1.8V | 500kHz | SOT-25 |
XC6365A192ER-G | VOUT type: internally set-up, Soft-start internally set-up | 1.9V | 180kHz | USP-6C |
XC6365A192MR-G | VOUT type: internally set-up, Soft-start internally set-up | 1.9V | 180kHz | SOT-25 |
XC6365A193ER-G | VOUT type: internally set-up, Soft-start internally set-up | 1.9V | 300kHz | USP-6C |
XC6365A193MR-G | VOUT type: internally set-up, Soft-start internally set-up | 1.9V | 300kHz | SOT-25 |
XC6365A195ER-G | VOUT type: internally set-up, Soft-start internally set-up | 1.9V | 500kHz | USP-6C |
XC6365A195MR-G | VOUT type: internally set-up, Soft-start internally set-up | 1.9V | 500kHz | SOT-25 |
XC6365A202ER-G | VOUT type: internally set-up, Soft-start internally set-up | 2.0V | 180kHz | USP-6C |
XC6365A202MR-G | VOUT type: internally set-up, Soft-start internally set-up | 2.0V | 180kHz | SOT-25 |
XC6365A203ER-G | VOUT type: internally set-up, Soft-start internally set-up | 2.0V | 300kHz | USP-6C |
XC6365A203MR-G | VOUT type: internally set-up, Soft-start internally set-up | 2.0V | 300kHz | SOT-25 |
XC6365A205ER-G | VOUT type: internally set-up, Soft-start internally set-up | 2.0V | 500kHz | USP-6C |
XC6365A205MR-G | VOUT type: internally set-up, Soft-start internally set-up | 2.0V | 500kHz | SOT-25 |
XC6365A212ER-G | VOUT type: internally set-up, Soft-start internally set-up | 2.1V | 180kHz | USP-6C |
XC6365A212MR-G | VOUT type: internally set-up, Soft-start internally set-up | 2.1V | 180kHz | SOT-25 |
XC6365A213ER-G | VOUT type: internally set-up, Soft-start internally set-up | 2.1V | 300kHz | USP-6C |
XC6365A213MR-G | VOUT type: internally set-up, Soft-start internally set-up | 2.1V | 300kHz | SOT-25 |
XC6365A215ER-G | VOUT type: internally set-up, Soft-start internally set-up | 2.1V | 500kHz | USP-6C |
XC6365A215MR-G | VOUT type: internally set-up, Soft-start internally set-up | 2.1V | 500kHz | SOT-25 |
XC6365A222ER-G | VOUT type: internally set-up, Soft-start internally set-up | 2.2V | 180kHz | USP-6C |
XC6365A222MR-G | VOUT type: internally set-up, Soft-start internally set-up | 2.2V | 180kHz | SOT-25 |
XC6365A223ER-G | VOUT type: internally set-up, Soft-start internally set-up | 2.2V | 300kHz | USP-6C |
XC6365A223MR-G | VOUT type: internally set-up, Soft-start internally set-up | 2.2V | 300kHz | SOT-25 |
XC6365A225ER-G | VOUT type: internally set-up, Soft-start internally set-up | 2.2V | 500kHz | USP-6C |
XC6365A225MR-G | VOUT type: internally set-up, Soft-start internally set-up | 2.2V | 500kHz | SOT-25 |
XC6365A232ER-G | VOUT type: internally set-up, Soft-start internally set-up | 2.3V | 180kHz | USP-6C |
XC6365A232MR-G | VOUT type: internally set-up, Soft-start internally set-up | 2.3V | 180kHz | SOT-25 |