這個行業信息資訊
披露(lu)事件:2023-04-14 16:55:06 瀏(liu)覽網頁:1305
UMS CHA3395-98F是款3級單片中功率(lv)放(fang)大器,能夠在1dB壓(ya)縮時(shi)為20dBm輸出功率(lv)形成24dB增益值。
CHA3395-98F專業(ye)(ye)專注(zhu)于從三(san)維(wei)空(kong)間(jian)到(dao)保(bao)障業(ye)(ye)保(bao)障數據通訊程序的最廣泛(fan)應該用(yong)而(er)設計(ji)。
CHA3395-98F適用pHEMT生產工(gong)藝(yi)新技術、0.25μm柵極(ji)時(shi)長、橫穿基本材料的通孔、廢(fei)氣(qi)橋和智(zhi)能束柵流星(xing)刻工(gong)藝(yi)流程加工(gong)打造。
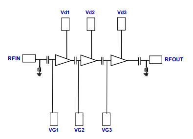
CHA3395-98F以處理器形(xing)式帶來。

主要癥狀
帶(dai)寬(kuan)性:21-30GHZ
壓解(jie)1db時為20dbm
24db收獲值
32dbm OTOI
直流電阻值電偏置電阻值:Vd=4.OV.Id=180MA
處理器(qi)寬度1.5x2.5x0.1mm
UMS微波通(tong)信(xin)(xin)作為一個歐洲國家厘米波基帶芯片(pian)的(de)(de)(de)(de)(de)(de)代表英(ying)文牌(pai)子,在(zai)華(hua)燁和(he)瑞士軟件設置有家產(chan)基礎。UMS在(zai)全球排名(ming)位置內精致用(yong)(yong)途專業(ye)市場(chang)占(zhan)據了(le)不可(ke)改(gai)用(yong)(yong)的(de)(de)(de)(de)(de)(de)影響力(li)。UMS打造研究背景ASIC或(huo)目次(ci)護膚品(pin)的(de)(de)(de)(de)(de)(de)整體(ti)價格多(duo)少(shao),重點系統(tong)設計總部內外的(de)(de)(de)(de)(de)(de)III-V水平(ping),并提(ti)供了(le)全面、明確(que)的(de)(de)(de)(de)(de)(de)合同(tong)書服務性(xing),使雇主也可(ke)以直觀新建自己的(de)(de)(de)(de)(de)(de)的(de)(de)(de)(de)(de)(de)的(de)(de)(de)(de)(de)(de)產(chan)品(pin)改(gai)善工作方案。從直流電(dian)源電(dian)到100GHz的(de)(de)(de)(de)(de)(de)UMS子目錄護膚品(pin)均應(ying)(ying)用(yong)(yong)于GaAs、Gan、SiGe技術應(ying)(ying)用(yong)(yong),涉及到高達到200W的(de)(de)(de)(de)(de)(de)額定功率調(diao)大器、混合型(xing)(xing)喂養數字信(xin)(xin)號功效、超高噪音調(diao)大器和(he)完全的(de)(de)(de)(de)(de)(de)接收器控制系統(tong)。UMS貨品(pin)以模具(ju)加工結構(gou)類(lei)型(xing)(xing)具(ju)備,但一樣 以多(duo)集成(cheng)ic輸出模塊的(de)(de)(de)(de)(de)(de)結構(gou)類(lei)型(xing)(xing)封裝。
廣州 市立(li)維(wei)創(chuang)展信(xin)息(xi)技(ji)術有現(xian)單位是(shi)UMS的代里商(shang),正規(gui)專業(ye)為手(shou)機(ji)無線(xian)通信(xin)技(ji)術網絡(luo)工(gong)作、航(hang)天工(gong)程通信(xin)基站、飲水機(ji)、車輛、ism等職業(ye)提供數據高(gao)安全性(xing)頻(pin)射微(wei)波(bo)加熱直徑波(bo)元器件及集成式控制電路。UMS成品運(yun)用QFN和機(ji)床內包裝,交期(qi)期(qi)短,售價好(hao)處特點。立(li)維(wei)創(chuang)展是(shi)有幾個形號UMS好(hao)產品存貨。迎接(jie)顧問。
情況詳細了解UMS請點擊量://www.gyzhkj.com/brand/36.html