產業知識
發布的時長(chang):2023-03-24 16:38:30 閱(yue)覽:1152
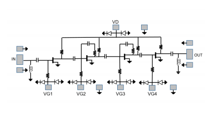
UMS CHA2368-98F是款四(si)級單片低噪聲放(fang)大器,在50-71GHz頻率段內具備21dB線性增(zeng)益值和3.5dB相位噪聲。CHA2368-98F包括對各個RF瀏覽和DC焊(han)層的ESD保護(hu)。
CHA2368-98F方(fang)案時(shi)用從商業(ye)樓(lou)到室內空(kong)間(jian)網(wang)絡通訊設備的應用研究(jiu)方(fang)向研究(jiu)方(fang)向。
CHA2368-98F選擇pHEMT工藝設計技木、0.1μm柵極直徑、橫(heng)穿基本的(de)材質材料的(de)盲孔、室內空氣橋和鐵離子束柵流(liu)(liu)星刻流(liu)(liu)程生產的(de)制造出,可以于滿足(zu)BCB層(ceng)確保的(de)裸處理芯片。

大部分共同點
崗(gang)位頻段:50-71GHz
相位噪音:3.5db
P1db:12dB
增益(yi)值值:21db
增加收(shou)益調節:30db
BCBlaver呵護
普通直流(liu)變壓器(qi)電(dian)偏置工作電(dian)壓:Vd=3.3V@ld=75MA
處理器盡寸(cun)2.57mmx1.17mmx0.07mm
UMS微波加熱作海外豪米波電(dian)源芯片的(de)代表人(ren)知名品牌,在(zai)瑞士和國內軟(ruan)件設置有工(gong)業(ye)產業(ye)園。UMS在(zai)環球位(wei)置內高端大氣適用貿易市場占有物不可取代的(de)戰略地位(wei)。UMS給(gei)出針對ASIC或文件目錄商品的(de)網(wang)絡(luo)綜(zong)合(he)價格行情,通常(chang)系統設計集團公司內部組織(zhi)的(de)III-V技能,并提高周到(dao)(dao)的(de)合(he)同(tong)書工(gong)作,使(shi)買家應該(gai)直觀打(da)造個人(ren)的(de)產品的(de)緩解策劃方(fang)案。從整流電(dian)到(dao)(dao)100GHz的(de)UMS分類目錄商品均(jun)來(lai)源于GaAs、Gan、SiGe方(fang)法,涵(han)蓋超過200W的(de)瓦數(shu)調(diao)大器、搭配數(shu)據功能模塊、特(te)低燥聲(sheng)調(diao)大器和完善的(de)發收器控制系統。UMS好產品以合(he)金(jin)模具(ju)樣式提供(gong)了,但似(si)的(de)以多(duo)電(dian)源芯片模塊電(dian)源的(de)樣式封裝(zhuang)類型。
山(shan)東市立(li)維創展科技(ji)發展是有限的(de)大公(gong)司是UMS的(de)POS機廠商,正規為有線(xian)微波通(tong)信(xin)工(gong)程項目、航天科技(ji)移動基站、航空航天、車子、ism等服務(wu)行(xing)業(ye)提供了高可(ke)信(xin)性微波通(tong)信(xin)射頻微波通(tong)信(xin)公(gong)厘波元器(qi)件(jian)封裝及(ji)集成化(hua)電(dian)源(yuan)線(xian)路。UMS貨品(pin)運用QFN和模具加工(gong)木箱(xiang),訂交期(qi)短,售價(jia)其優(you)勢的(de)難忘。.我為幾個主要參數提供數據高水平量的(de)UMS產(chan)品(pin)存貨。歡迎辭詳詢(xun)。
詳細信息清楚UMS請打開網頁://www.gyzhkj.com/brand/36.html