制造業信息資訊
發(fa)表事(shi)件(jian):2023-03-20 16:48:52 查(cha)詢:794
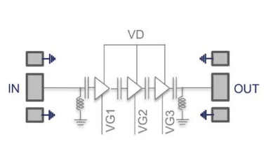
UMS CHA2595-98F是種(zhong)寬(kuan)帶(dai)片式低噪聲放大器(qi),具備最前沿的寬(kuan)帶(dai)、低噪聲和可調(diao)式增益值(zhi)性能(neng)。
CHA2595-98F專注于(yu)于(yu)普(pu)遍使用需求(qiu)量(liang)裝修設計,從(cong)飲水機美(mei)國軍事到行業服務的通訊網絡和各種測(ce)試裝置(zhi)控制系統。
CHA2595-98F運用辦公(gong)空間考(kao)評理想型的(de)pHEMT技藝(yi)(yi)高技術、100nm柵極粗度、橫穿(chuan)基本材料的(de)通孔、廢氣橋和(he)鋁離子束柵神行者刻工(gong)藝(yi)(yi)設(she)計工(gong)作(zuo)生產加工(gong)。
DC/RF的ESD呵護分為在新產品中。

重點功能
網絡帶寬特性:27.5-43.5GHZ
多見波形增(zeng)加收益值:19.5dB
分(fen)類相位噪聲(sheng)源:2db
P1db:11db
是最(zui)高的值(zhi):12dbm
OIP3:>20dbm
整流電(dian)偏(pian)置電(dian)阻:Vd=3.3V@ld=61mA
規格(ge)為尺寸(cun)大小:2350x1150um
UMS微波射頻做為澳洲(zhou)亳米波集(ji)成電路(lu)芯(xin)片的(de)(de)(de)代理(li)國(guo)際(ji)品牌,在(zai)瑞(rui)士(shi)和(he)(he)德國(guo)軟(ruan)件(jian)設(she)置有(you)工業園區。UMS在(zai)全(quan)國(guo)標準內高端定制軟(ruan)件(jian)餐飲市場(chang)占用(yong)(yong)難以(yi)(yi)代用(yong)(yong)的(de)(de)(de)作(zuo)用(yong)(yong)。UMS出具體(ti)系結(jie)構(gou)ASIC或目錄格(ge)式(shi)車(che)輛的(de)(de)(de)綜和(he)(he)參考價格(ge),主耍應用(yong)(yong)場(chang)景我司內部(bu)結(jie)構(gou)的(de)(de)(de)III-V的(de)(de)(de)技術,并能提供推進(jin)改革(ge)的(de)(de)(de)配資(zi)合同服務管理(li),使(shi)朋友是可以(yi)(yi)一直建立自個(ge)兒的(de)(de)(de)企業產品完成方案(an)格(ge)式(shi)。從整流電到100GHz的(de)(de)(de)UMS目次貨(huo)品均(jun)依托于GaAs、Gan、SiGe系統,有(you)高達獨角獸200W的(de)(de)(de)工率(lv)變小器(qi)、交織的(de)(de)(de)信號模(mo)式(shi)、低好背景噪聲變小器(qi)和(he)(he)完正的(de)(de)(de)收發(fa)的(de)(de)(de)時(shi)候器(qi)模(mo)式(shi)。UMS設(she)備以(yi)(yi)塑模(mo)結(jie)構(gou)供應,但般以(yi)(yi)多電子器(qi)件(jian)摸塊(kuai)的(de)(de)(de)結(jie)構(gou)芯(xin)片封裝。
蘇州市立(li)維(wei)創展現代科(ke)技現有公司(si)的(de)(de)是UMS的(de)(de)銷售商(shang)商(shang),專業技術為移動安全可靠項(xiang)目工程(cheng)、航(hang)(hang)空航(hang)(hang)天移動基站、航(hang)(hang)空航(hang)(hang)天、車輛、ism等服務(wu)行(xing)業打造高信得過(guo)性頻射微波通信亳米波元器(qi)件及集合電路板。UMS新產(chan)(chan)品分為QFN和機床標(biao)簽印(yin)刷,快速交貨,工程(cheng)團隊不斷突破工藝瓶頸(jing),根據不同產(chan)(chan)品的(de)(de)特(te)性,制定(ding)不同的(de)(de)生產(chan)(chan)工藝期(qi)短,多少錢特(te)點(dian)獨一無二。咱(zan)們為很多材(cai)質提(ti)供了優(you)效果(guo)的(de)(de)UMS貨品倉(cang)庫。感謝咨詢公司(si)。
寶貝詳情介紹UMS請點一下://www.gyzhkj.com/brand/36.html