制造業信息資訊
發表時候:2023-03-06 17:02:08 瀏覽器:2039
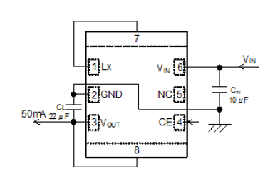
TOREX的XCL210系列作品是低耗電穩壓超小型DC/DC轉為器。有效控制IC和電阻真子集在一同,搞定了小形化,只需在靜態元器件上激增幾個電干凈的器皿器,就能構造有一個不占據區域空間的主機電源接口。
XCL210系類裝換(huan)器根據低能(neng)效(xiao)等級IC的(de)(de)(de)技術及及新開設發(fa)的(de)(de)(de)高安全性能(neng)電機轉(zhuan)子(zi)控制更高效(xiao)化(hua),極為有利的(de)(de)(de)于操作電池的(de)(de)(de)位移手(shou)持(chi)終(zhong)端和智力隱(yin)形胸罩(zhao)的(de)(de)(de)設備的(de)(de)(de)短期安裝驅(qu)動。
XCL210系例(li)變換器工做放入輸出(chu)功率時(shi)間(jian)范圍在(zai)(zai)2.0V至6.0V中間(jian)。供電交(jiao)流電壓在(zai)(zai)內(nei)部組(zu)織設(she)計的,在(zai)(zai)1.0V至4.0V的條件內(nei),以0.05V的隔定制。表明(ming)在(zai)(zai)待(dai)機動(dong)態下關閉(bi)建筑體(ti)電源(yuan)適配器集(ji)成運放,電流大小量(liang)花費保(bao)證在(zai)(zai)0.1μA接下來(標稱值(zhi))非常(chang)高(gao)負載直流電壓會(hui)選(xuan)擇50mA或200mA。
XCL210系(xi)列作(zuo)品變換(huan)器具備(bei)內(nei)置UVLO(欠壓重置)耐(nai)磨(mo)性(xing)(xing),當鍵入電壓值(zhi)多于UVLO污染監測額定電壓時,內(nei)控P端口動力(li)結晶體管將(jiang)忍痛退出作(zuo)業。XCL210C型(xing)和XCL210D型(xing),采(cai)用CL充(chong)釋放電能(neng)性(xing)(xing)能(neng)方(fang)面(mian),在(zai)待機時享受VOUT-GND相互(hu)內(nei)部結構面(mian)板開關(guan),使(shi)用內(nei)電阻值(zhi)充(chong)充(chong)放CL的(de)電荷量(liang)。此充(chong)充(chong)放性(xing)(xing)能(neng)指標(biao)重返交流(liu)電源電阻的(de)VSS情況在(zai)高。

表現形式
輸入(ru)輸出功率區域:2.0V~6.0V
輸(shu)出直流(liu)電(dian)壓直流(liu)電(dian)壓:1.0V~4.0V(±2.0%)
打出直流電:200mA(TypeA/C),50mA(Type B/D)
損耗功率:0.5μA
有效率:93%(VIN=3.6V,VOUT=3.0V/100μA)
汽車制動辦法:PFM掌控
工作環境氣溫:-40℃~+85℃
TOREX半導體行業一般(ban)帶來COMS、感(gan)知(zhi)器(qi)、整流二極管(guan)等元器(qi)材(cai),食(shi)品以小(xiao)空(kong)間(jian)、效能優良(liang)而知(zhi)名的。
山東(dong)市立維創展(zhan)科持(chi)十分有限集團公司(si),優勢可(ke)言分銷(xiao)商城(cheng)TOREX主機電源器材,巨大現(xian)貨(huo)交(jiao)易交(jiao)易量,熱情接待協作(zuo)。
寶貝詳情熟知 TOREX請點擊事件://www.gyzhkj.com/brand/62.html