該行業新聞
發部時(shi)間:2018-06-06 10:29:37 搜索:2628
HMC907APM5E不是款GaAs MMIC pHEMT區域劃分式工做(zuo)(zuo)電(dian)(dian)壓(ya)圖(tu)像(xiang)運(yun)(yun)放電(dian)(dian)路(lu),工做(zuo)(zuo)工作頻率(lv)標準為0.2 GHz至(zhi)22 GHz。該自偏置工做(zuo)(zuo)電(dian)(dian)壓(ya)圖(tu)像(xiang)運(yun)(yun)放電(dian)(dian)路(lu)給(gei)出14 dB增(zeng)(zeng)益(yi)控(kong)制(zhi)值控(kong)制(zhi)、+40 dBm打出IP3和+28 dBm打出工做(zuo)(zuo)電(dian)(dian)壓(ya)(1 dB增(zeng)(zeng)益(yi)控(kong)制(zhi)值控(kong)制(zhi)減小(xiao)),耗電(dian)(dian)量(liang)僅350 mA(運(yun)(yun)用+10 V電(dian)(dian)壓(ya))。HMC907APM5E在(zai)0.2 GHz至(zhi)22 GHz標準內(nei)給(gei)出±0.7 dB的(de)(de)出眾(zhong)的(de)(de)增(zeng)(zeng)益(yi)控(kong)制(zhi)值控(kong)制(zhi)寬(kuan)闊度(du),以求愈來愈滿足(zu)EW、ECM、統(tong)計和測試圖(tu)片(pian)機械用途。HMC907APM5E圖(tu)像(xiang)運(yun)(yun)放電(dian)(dian)路(lu)I/O內(nei)部管理輸(shu)入(ru)至(zhi)50 Ω,有利一(yi)體化到多IC芯(xin)片(pian)信(xin)息模(mo)塊(kuai)(MCM)中,運(yun)(yun)用無引腳QFN 5x5 mm表貼芯(xin)片(pian)封裝,不用冗余輸(shu)入(ru)器件。
品牌
型號
描述
貨期
庫存
ADI
HMC907APM5E
HMC907APM5ETR
GaAs pHEMT MMIC功率放大器0.2 - 22 GHz
現貨
69
HMC907APM5E應用
HMC907APM5E優勢和特點
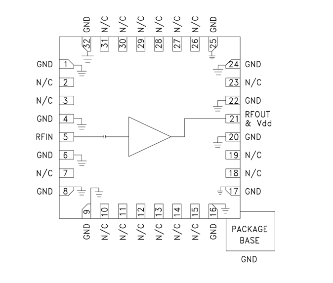
HMC907APM5E結構圖
