領域咨訊
發布信息用時:2022-05-12 16:34:31 閱覽:2068
現行市面 上TI的原(yuan)(yuan)料(liao)清單TPS82130、TPS82140、TPS82150短缺(que),引起推廣方式商費用(yong)(yong)升值(zhi)少于50倍,IC的本來的價值(zhi)量以經被(bei)扭轉。誠然TI的原(yuan)(yuan)料(liao)清單高品質不可(ke)尖酸刻薄,被(bei)高度(du)朋友信賴,怎么才能完成是(shi)這(zhe)樣窘(jiong)境,臺達(da)Cyntec及時入憲了pin to pin原(yuan)(yuan)位(wei)換用(yong)(yong)措施(shi)。
規格 | 輸人電壓降 | 傳輸的電壓 | 工作電流 |
TPS82130 | 3~17V | 0.9~6V | 3A |
TPS82140 | 3~17V | 0.9~6V | 2A |
TPS82150 | 3~17V | 0.9~6V | 1A |
TPSM82903 | 3~17V | 0.4~5.5V | 3A |
這樣的徵型POL開關電源引擎,比熱容小,僅為3.0mm x 2.8mm x 1.5mm,集成就了DC-DC集成電路芯片、電感,從而地簡易化了用戶開發,時候需要展示 極好EMI特質。

而Cyntec的原位替代產品 MUN12CAD03-SEC , 以完全不用改動PCB,并且以超低的紋波特性,被廣泛應用于儀表、通信、服務器等領域。
1. 參數表比
款式 | 長寬 | 搜索交流電壓 | 轉換電流電壓 | 電壓 | Vfb |
TPS82130 | 2.8*3.0*1.5mm | 4.5~17.0V | 0.9~6.0V | 3A | 0.8V |
MUN12AD03-SEC | 2.8*3.0*1.5mm | 4.5~17.0V | 0.8~5.5V | 3A | 0.6V |
2. 替換成軟件(jian)應(ying)用(yong)引導:
(1)TPS82130是能夠 內部工作電流鉗位操縱加載期內的工作輸出工作電流斜率,來防止出現過大的浪涌工作電流并(bing)提高(gao)(gao)認識受控(kong)(kong)的(de)(de)(de)(de)所在(zai)線電(dian)(dian)(dian)(dian)壓回(hui)升(sheng)時(shi)(shi)期。當(dang) EN引腳被拉高(gao)(gao)時(shi)(shi),元件會(hui)在(zai) 55μs(基本特征值(zhi)(zhi))的(de)(de)(de)(de)時(shi)(shi)候(hou)延遲后逐漸啟閉,而且的(de)(de)(de)(de)打(da)(da)印模擬(ni)輸(shu)出電(dian)(dian)(dian)(dian)容(rong)(rong)值(zhi)(zhi)以(yi)(yi)由(you)進行(xing)接連(lian)到 SS/TR 引腳的(de)(de)(de)(de)靜態電(dian)(dian)(dian)(dian)容(rong)(rong)(電(dian)(dian)(dian)(dian)干(gan)凈(jing)(jing)的(de)(de)(de)(de)器(qi)皿)器(qi)的(de)(de)(de)(de)控(kong)(kong)制(zhi)的(de)(de)(de)(de)斜率飆升(sheng)。順利通過適用(yong)愈(yu)來愈(yu)小(xiao)的(de)(de)(de)(de)電(dian)(dian)(dian)(dian)容(rong)(rong)(電(dian)(dian)(dian)(dian)干(gan)凈(jing)(jing)的(de)(de)(de)(de)器(qi)皿)器(qi)或使(shi) SS/TR 引腳沒有支撐,可滿(man)足最短的(de)(de)(de)(de)重(zhong)啟時(shi)(shi)候(hou)。TPS82130 也可以(yi)(yi)重(zhong)啟至預偏(pian)置(zhi)的(de)(de)(de)(de)打(da)(da)印模擬(ni)輸(shu)出電(dian)(dian)(dian)(dian)容(rong)(rong)(電(dian)(dian)(dian)(dian)干(gan)凈(jing)(jing)的(de)(de)(de)(de)器(qi)皿)器(qi)。在(zai)預偏(pian)置(zhi)重(zhong)啟期間內,在(zai)實(shi)物(wu)(wu)電(dian)(dian)(dian)(dian)容(rong)(rong)值(zhi)(zhi)鉗位(wei)將的(de)(de)(de)(de)打(da)(da)印模擬(ni)輸(shu)出電(dian)(dian)(dian)(dian)容(rong)(rong)值(zhi)(zhi)制(zhi)定為(wei)優(you)于預偏(pian)置(zhi)電(dian)(dian)(dian)(dian)容(rong)(rong)值(zhi)(zhi)以(yi)(yi)前,兩位(wei)熱效率 MOSFET 尚未重(zhong)置(zhi)。當(dang)元件發生關斷(duan)(duan)、欠壓設定或熱關斷(duan)(duan)程序(xu)時(shi)(shi),進行(xing)接連(lian)到 SS/TR 引腳的(de)(de)(de)(de)電(dian)(dian)(dian)(dian)容(rong)(rong)(電(dian)(dian)(dian)(dian)干(gan)凈(jing)(jing)的(de)(de)(de)(de)器(qi)皿)器(qi)由(you)實(shi)物(wu)(wu)電(dian)(dian)(dian)(dian)容(rong)(rong)器(qi)蓄電(dian)(dian)(dian)(dian)池(chi)放電(dian)(dian)(dian)(dian)。從這種程序(xu)重(zhong)返會(hui)導(dao)至新(xin)的(de)(de)(de)(de)重(zhong)啟編碼序(xu)列。
由MUN12AD03-SEC的SS軟(ruan)無法與TPS82130有對比分析,MUN12AD03-SEC無需要在一(yi)個打出端接的L22電(dian)感/磁珠,則須(xu)要判斷上電(dian)時序。參(can)考價值函數下面:

(2)TPS82130與MUN12AD03-SEC的工作上(shang)紋波(bo)考(kao)試但是(shi)有以下(xia)幾點(dian)

臺達的貨品(pin)好品(pin)質(zhi),會(hui)非常需求(qiu)高誤(wu)差的主(zhu)機電源需求(qiu)。
3. 食(shi)品的貼片加工(gong)過程要(yao)留意相(xiang)關事宜:
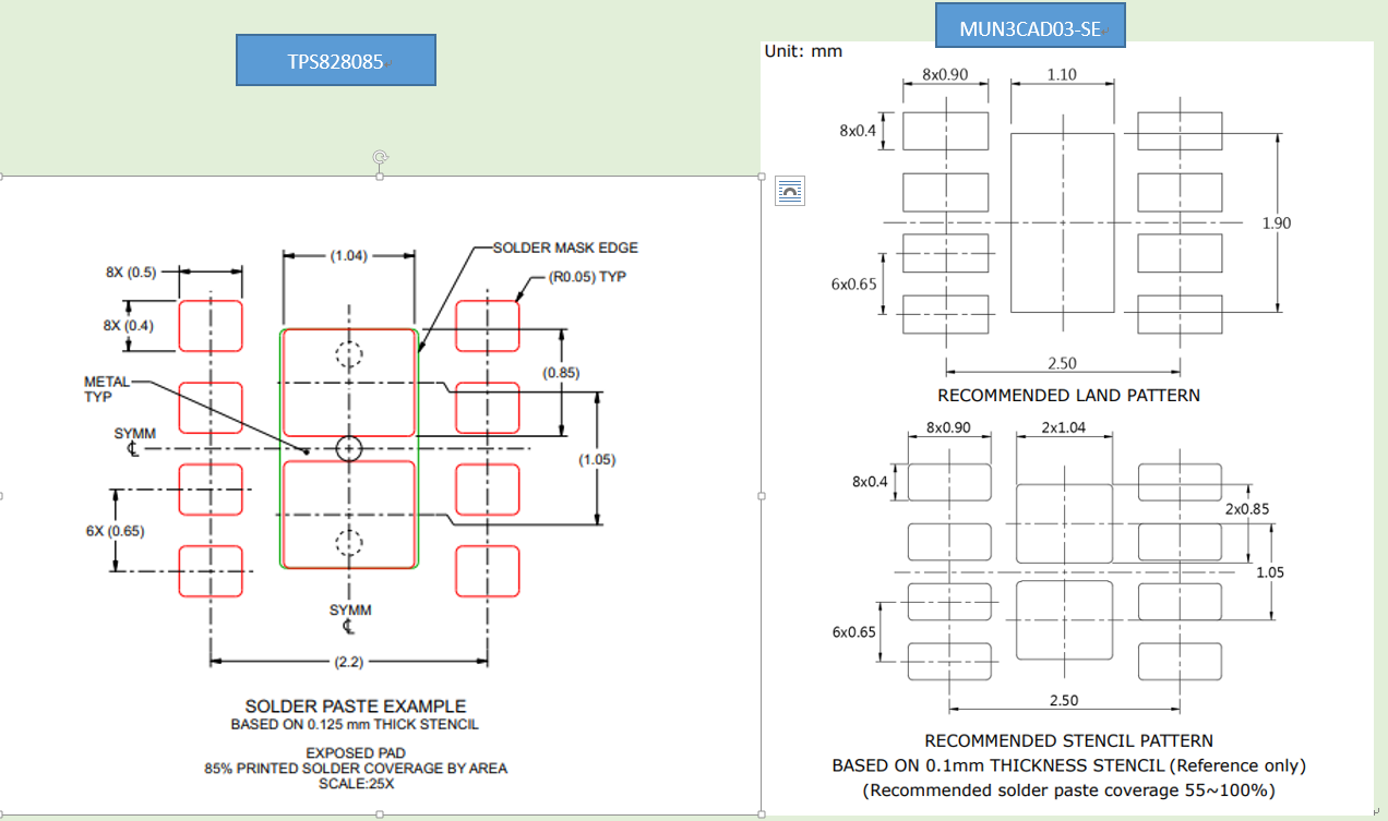
TI的貨品鋼網面積太小,誘發鋼網過錫量不豐滿。體積尺寸太大了,這個狀態如參考資料Cyntec的濕度Reflow,則會導致錫料增長率太高造成死亡細胞。即有些相似不上錫的動態。則個人建議從TPS82130切回過去的貼片 ,一并創(chuang)新這樣(yang)SMT鋼網 。
成都(dou) 市立(li)維(wei)創(chuang)展新材料(liao)技術管理(li)權限經銷商Cyntec全部好(hao)車輛(liang)(liang),秉承為加盟商提拱高(gao)(gao)車輛(liang)(liang)線(xian)(xian)質(zhi)量(liang)(liang)高(gao)(gao)、高(gao)(gao)線(xian)(xian)質(zhi)量(liang)(liang)高(gao)(gao)量(liang)(liang)、單價(jia)公(gong)證(zheng)處公(gong)證(zheng)的(de)電源開關(guan)模快(kuai)好(hao)車輛(liang)(liang)。好(hao)車輛(liang)(liang)原廠美國(guo)(guo)進口(kou),線(xian)(xian)質(zhi)量(liang)(liang)高(gao)(gao)要(yao)確保(bao),并(bing)以中國(guo)(guo)人(ren)中國(guo)(guo)內(nei)地領域提拱技術支技,誠(cheng)邀詳(xiang)詢(xun)。
情況熟(shu)知 Cyntec請點(dian)擊(ji)量(liang)://www.gyzhkj.com/brand/16.html