HMC611LP4/HMC611LP4E工作功率監控視頻多數檢波器 ADI加盟代理現貨平臺
頒布時間(jian)段:2018-07-09 13:57:07 打開(kai)網頁:7290
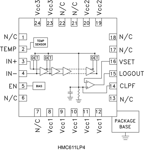
HMC611LP4(E)常用對數計算檢波器/把握器將插入鍴的RF無線信號換為為傷害端成比例的DC交流電壓。HMC611LP4(E)用間斷性減小拓撲組成組成,帶來了寬插入速度空間內的最高各式各樣空間和換為誤差。隨著時間推移插入額定功率新增,間斷性拖動器逐步入駐飽滿,才能制成透徹的常用對數計算數學函數有相擬值。
若您有任何人質疑,請保持聯系他們立維創展,他們會盡最明顯精力為您工作。
一國產平方和律檢波器傳輸求和、更該成端電壓值域并緩存數據動力LOGOUT傳輸。在檢則經營傳統模式下,LOGOUT引腳不導通到VSET填寫并提供數據-25mV/dB的標稱對數計算斜率和18 dBm的截距(22 dBm,? ≥ 5.8 GHz)。HMC611LP4(E)也可在掌控器經營傳統模式下利用,向VSET引腳釋放外部鏈接端電壓值以自動生成AGC或APC返饋環路。
|
品牌
|
型號
|
描述
|
貨期
|
庫存
|
|
ADI
|
HMC611LP4
HMC611LP4E
|
對數檢波器控制器,采用SMT封裝,0.001 - 10.0 GHz
|
現貨
|
151
|
HMC611LP4適用
-
蜂窩/PCS/3G
-
WiMAX、WiBro、WLAN、
固定無線和雷達
-
功率監控和控制電路
-
接收機信號強度指示(RSSI)
-
自動增益和功率控制
HMC611LP4優勢和特點
-
寬動態范圍:高達63 dB
-
高精度:±1 dB
54 dB范圍高達8 GHz
-
電源電壓:+5V
-
出色的溫度穩定性
-
緩沖溫度傳感器輸出
-
緊湊型4x4mm無引腳SMT封裝
HMC611LP4結構圖
